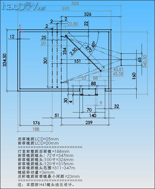
买不起投影机?没事,花上千元左右自己DIY一台即可,虽然效果无法和1080p家庭影院级投影机相比,但绝对比老式的CRT电视机要震撼很多。 没钱照样享受大画面震撼,众多的网友正依靠自己勤劳且富有创造性的双手DIY了一台台属于自己的投影机。找一块废弃的液晶板,网上淘个驱动板,五金店里再买个灯泡,再加上一些其他的小配件,花上几天的时间在家制作一个外壳,一台属于自己的DIY投影机就大功告成了。![]() 网友展示DIY投影机效果 从技术原理来看,这样的单片式LCD液晶投影机无疑太过于“山寨”。从效果来看,DIY投影机在分辨率、色彩、噪音等方面都存在较多的缺陷。但是不可否认的是,这样的产品正在形成自己的独特产业,让更多的基层消费者享受了百吋大画面的震撼,功不可没。 不过对于大多数用户来说,DIY产品固然廉价简单,但是却不知从何下手,空有美好的愿景却无法实施,这的确是一种痛苦。为了方便广大网友DIY出自己的大画面梦想,笔者就此为大家提供一些DIY投影机成功案例、原理、技巧等,供发烧友参考学习。 国外网友DIY投影机视频全程 上面的这个视频国外某网友制作的,从其能够了解DIY投影机的全程。不过需要指出的是,此网友购买的DIY投影机为半成品,只需组装完工即可,技术含量并不高。不过我们还能从此视频中得到另外一个信息:DIY投影机并不仅仅是国内的产物,国外的网友同样钟爱于这种“山寨”产品。 DIY并不代表低质,对于发烧友来说,也要有一定的底线,切不可因为便宜而放弃原则。笔者认为,首先DIY投影机的亮度不能低于500流明,否则亮度太低对视力等有一定的影响;其次,DIY投影机的物理分辨率不能低于640×480,目前VCD的分辨率为352×288;数字电视机顶盒的输出分辨率为640×480,720p、1080p的电影更是层出不穷,太低的分辨率已经没有了存在的意义;还有就是投影机的分辨率不能低于40吋,目前便宜的32吋的电视机价格仅为2000余元,如果DIY投影机的尺寸仅仅和电视机类似,显然得不偿失。 好了,了解了这些信息之后,我们就开始动手了。下面我们就和大家分享以为成功的DIY发烧友的经典案例,希望能够为入门级DIY用户提供一定的帮助。 相对于普通的入门级DIY用户,今天我们和大家分享的这位DIY用户可谓是骨灰级的玩家。凭借众多的成功作品,其在DIY投影机圈内享有盛名。 对于用户来说,如果有能力的话,最好前期就做好设计草图。 ![]() DIY投影机设计草图 ![]() DIY投影机设计草图
(责任编辑:admin) |





(责任编辑:admin)














