|
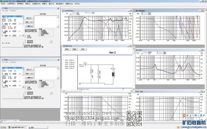
分频器的DIY过程其实非常简单,但是要想它起到应有的作用,就要进行详细测试、筹划与设计,制成后还要验证后果。却是一件繁复的工作。 我用6J1制作的1瓦输出的小胆机配上过去优必胜牌AV系统的一对后置环绕书架箱来放音,由于功率不大,这样的小书架箱也算物尽其用。它系两单元系统,中低单元为UBS5.0寸喇叭,高音单元为1.25寸球顶。标称频响100-18000hz,标称阻抗5欧。灵敏度83db。 正面图 ![]() 背面标签 ![]() 原音箱的高低单元就采用了一只2.2微法的电容器来分频。起初为了改善它的音质,在箱内填充了一半体积的吸声棉。经过试听,也算马马虎虎。但总有想从技术层面改善它的冲动。 去年,在中国音响论坛购买了一套音箱测量套件,利用lspCAD软件测量了该音箱的阻抗和频响曲线。如下: 中低单元阻抗 高音单元阻抗 中低单元综合频响图 高音远场频响图 看曲线很不理想。尤其在6500hz处出现一个高达20db的高峰。究其原因。是中低单元音盆半径5.2cm恰好是6500hz的波长。在2200hz处又有一处15db的深谷,即通常所谓的“中心谷”。 有了这些大峰大谷,当音乐恰好遇到这些频点时,声音自然好不起来。 为追求相对平直的频响,决定给音箱加装分频器。 借助lspCAD的分频器设计功能。输入扬声器的测试曲线和一些参数后,选择两阶分频电路形式,边看曲线边调整元件参数,最后得出设计成果如下: 七元件分频器设计图 ![]() 图中分别示出分频器高低频网络元件图与经多次渐进调整的元件数值、综合阻抗与频响曲线以及高通、低通频带曲线等,由图的中上部频响图可见,加分频器后的频响平直多了!频带高端与低端稍有隆起,正合吾意。 高音单元并联的RC串联电路起衰减器的作用。 图中每个电感都附带串联一个小值电阻,是考虑到电感线圈线材本身必然有的直流电阻,并非实际元件。 有了设计,只是纸上谈兵,只有动手做,才能改变现实。 分频器实际电路图如下: ![]() 每个分频器用了七个元件,两个分频器加倍。其中电阻四只、六只大容量无极性电容采用了MKP电容,这些都在市场上买得到。而四只电感却费了点周折。先是想用粗漆包线,并且已经买了0.5公斤线径1mm的漆包线,并做好四只大骨架。但是反复计算后,发现这0.5公斤漆包线也刚刚够绕四只电感。如果这个小小的音箱里面塞几个大线圈,对于小功率应用来说,真的有点浪费。于是转而采用磁环绕电感,又专门去电子市场买了四只损耗低的磁环回来,采用0.35铜芯漆包线各绕67匝和103匝,就达到了需要的电感量。用justML的阻抗测量功能就能轻易的测算出电感,同时还能看到电感和电容的频率特性。本人的另一个帖子有详述。 链接http://bbs.hifidiy.net/thread-1026891-1-1.html 这样所有的元件就配齐了,具体制作中,还需要有两块基板以固定元件和连线。在百宝箱里找出一块老的酚醛树脂覆铜板,将其一分为二。 这就是所有的材料: 图 ![]() 用刀刻法把电路刻出来 图 ![]() 安装、焊接元件,分频器就算制作成功了。 图
在安装前,首先用测量套件测了它的阻抗; 分频器空载时阻抗; 高频端接上10欧纯电阻时; 中低频端接上10欧纯电阻时; 高频与中低频端同时接上10欧纯电阻时; 可见分频器对音箱阻抗具有显著地影响。 下一步就要将分频器装入音箱内。 拆下音箱喇叭,把分频器用尖螺钉拧在箱背板上。 图 ![]() 壔匚蓿� 图 ![]() 焊接箱背接线板 图 ![]() 拧好各处螺钉后,大功告成! 现在只在左边的音箱里安装了分频器,目的是为了与不装分频器的右箱做个对比。 把两只音响接到功放上,分别改换左右声道聆听同一首音乐,可以明显感觉到左箱的声音更加浑厚、圆润。而右箱则有点毛糙、让我老伴来听,连她这十足的“老外”都说,右箱有点“渣渣地” 这说明,加装分频器的改造是成功的。 为了用数据和曲线来说明问题。将两个箱的阻抗、不同情况下的频响曲线又都在同样测试条件、同样环境下用软件测量了一遍。右箱代表无分频器,左箱代表有分频器的情况。 先说明一下,由于电脑声卡性能不佳,低频段的曲线不太可靠,50hz以下不能用。 左右箱对比如下: 阻抗曲线的比较 图 中低单元近场频响曲线比较,即将测试仪话筒移至距离中低喇叭中心2-3cm处。 图 可看到,6khz处的尖峰显著降低。 音箱远场频响对比,测试话筒对着音箱中心,距离70cm处,(再远,环境反射影响加大)这基本可以代表实际聆听效果。 图
(责任编辑:admin) |











(责任编辑:admin)




















