CD机DIY,设计制作全程(CDPro2M机芯)(2)
时间:2013-02-10 13:42来源:www.tubebbs.com 作者:wuy 点击:
次
机箱外形及内部布局设计基本根据个人审美喜好,本人想法是做成工艺精细但简单、坚固、方正规范,类似工业设备风格。机箱设计加工一向是大多电子技术爱好者的弱项,所以设计时尽量避免有难度的加工工艺和复杂机构。
机箱外形及内部布局设计基本根据个人审美喜好,本人想法是做成工艺精细但简单、坚固、方正规范,类似工业设备风格。机箱设计加工一向是大多电子技术爱好者的弱项,所以设计时尽量避免有难度的加工工艺和复杂机构。诸如进出仓、滑顶、机械开关等都不使用。
线路设计
由于线路图幅度较大,采用分功能贴图说明的方式,但一些细碎的地方就不发出来浪费版面了
1. 控制板MCU是PIC16F871,这是为了用现成的源代码。这里要向http://bergrans.despinnerij.nl致谢,该网站提供了控制部分的应用线路图和Assemble 语言的源程序下载。由于本人在硬件线路上作了很多更改(按键端口、上电控制、光碟检测等),相应的软件设置也作了修改来配套使用。所以这里不发出来误导大家。需要的朋友最好去下载原线路图来参考。地址:http://bergrans.despinnerij.nl/doc/controller-sch.pdf
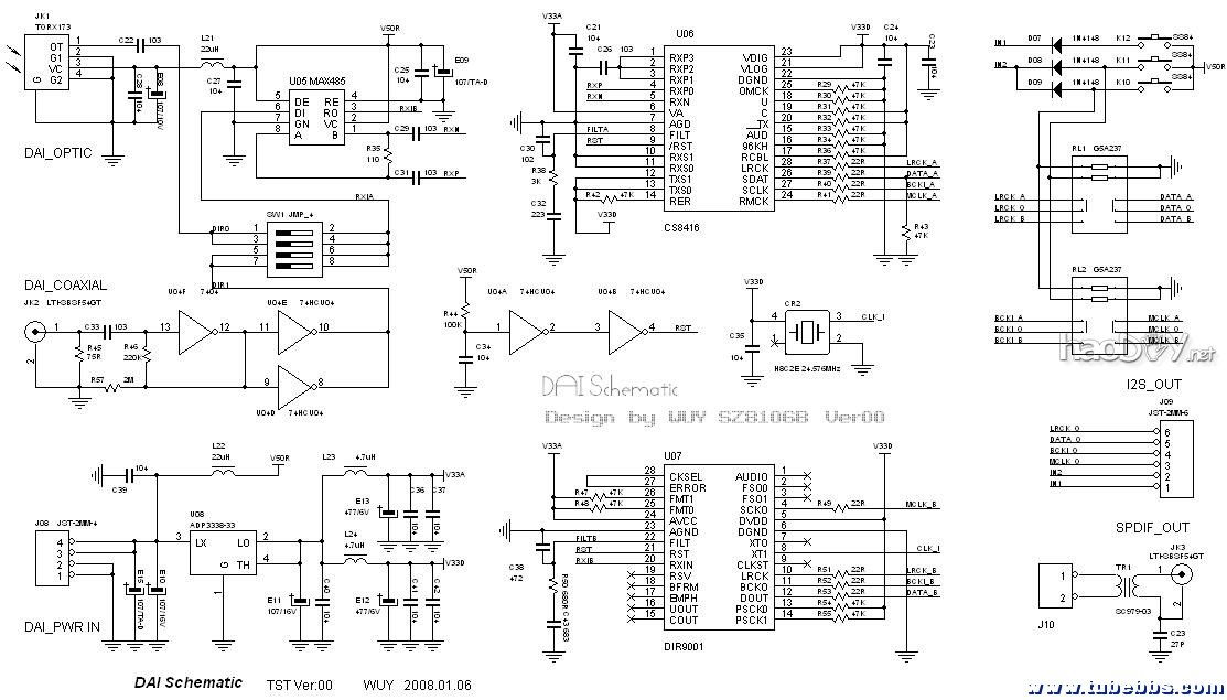
2. SPDIF数字信号接收线路图:
此部分包含同轴、光纤接收和同轴发送。
数字信号接收:用了两个方案,把Cirrus Logic的CS8416和Burr-Brown的DIR9001都设计进去了(这正是自己设计的好处,商品机和套件可不会这么干),通过设置于后面板的按键控制继电器来切换。该型继电器由脉冲驱动跳转并自锁,不需要维持电流,能做到“断电保持”,用在这里非常合适。
数字信号输出:仅一组同轴,使用一个脉冲变压器。不设光纤输出是因为个人没有再为此机配一台独立DAC的打算,这个同轴输出存在的意义也仅是用来做测试的需要。
3. 异步采样转换线路:
这部分功能不是必需的。CDPro2M模组本身可以设置I2S倍频输出为2XFs或4XFs,但SPDIF接收来的信号则从16Bit/44.1K~24Bit/192K的各个规格都可能有。为此在本机上采用CS8421作异步取样转换,即不管收到什么规格的数据,统统转换成24Bit/96K或24Bit/192K再送去DAC。原理如下图:

几乎所有CD音源技术爱好者都会关心时钟同步和Jitter问题,高手们也提出过很多解决方案,简单如采用高精度时钟源、用DAC时钟分频回馈;复杂的则利用FIFO、FPGA进行时基重整等等。对于DIYer来说,有些方案你认真去实做验证可能会发现简直是个噩梦。我用简单的, DAC板采用独立时钟,同步不同步的问题就交给异步采样转换去和稀泥。我们把它想简单点:都叫“异步采样”了,逻辑上来说当然可以不再考虑是否“同步”这个令人头大的问题。
固定输出采样率决定于外部主频MCLK。这个MCLK不需要很精确但要求很稳定,实验时用24MHz、27MHz这样的“非标”频率本机也可以工作得很好(DAC并不是只能消化44.1KHz或48KHz、96KHz这样的套餐,只要不超出其最高工作频率范围都可行)。
(责任编辑:admin) |
织梦二维码生成器
------分隔线----------------------------