|
首先提出的是,数字电压电流表要单独电源,(一个表一个电源,必须的)否则会共地烧表。有人需要改造清单! 我会给你们列出的,方便采购搜集,我用的都是拆机件!!!! 有人一直在问关于占空比的问题,我这里解释一下变压器改造问题 1、当5V和12V绕组是独立的,你可以连接两个绕组。这样电压达到35V绝对没有问题。 2、但是大部分电源不是单独绕组,5V是12V 一部分。为简单起见,直接剪断公共地线,用原来12V绕组的两端,做全波整流 3、这样可以将12电源由半桥改全桥整流、就是功耗比较大。这个方案可行……这样不改绕变压器。仅剪断12V接地。 全波整流达到自己想要的电压,理论上稳定值40V 5A 没有问题。前提是全波整流桥堆要有散热措施。 想要稳定必须重绕变压器, 用 0.2的4股漆包线并绕16匝即可。 具体参数: 电压可调:0~30V 电 流: 0-7A 短路电流:6.79A LM339控制过流,防止调流电位器损坏。 过压保护:意外输出32V,关闭电源 温度控制:大于45℃自动启动风扇 精确数显:数字电压、电流表 以下是电路简图,这只是参考原理图,实际改造过程中,需要添加一些电容什么的。参见哪个经典的电路图 欢迎入群:189547789 电源通用IC代换表: TL494/KA7500B/BD494/BDL494/S494PA/IR3M02/MB3670/MB3759 /MST894C/TL594/ULN8186/DBL494/ULS8194R/IR9494/UPC494 /UA494/TL494CN 调压电路原理图,可以参照改造
这个图只能调压0-15V 想要调压0-24V 换24K 和12K电阻即可,下面有计算公式。
电流表采样电阻和电流表接法
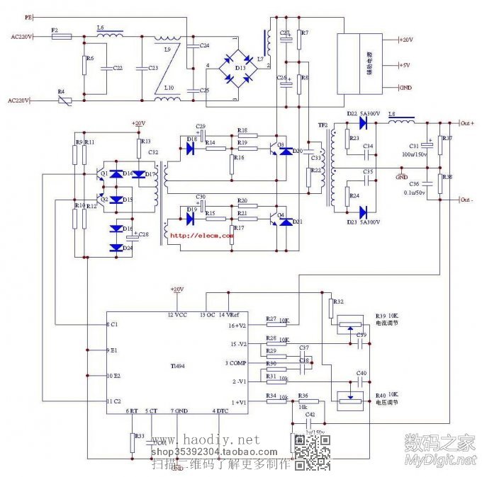
网上经典的电路图,参考用 ![]() 下面说说我怎么做的,先要知道原理,看这里每个字看完 ATX电源原理: TL494原理zip.zip (96 K) 下载次数:1493 参考电路图下载 : 我标注的参考电路图.zip (485 K) 下载次数:1989 首先我是做了电压可调0-15V,几乎不改变原有电路 再次换耐压高电容,做0-24V 0-30V 最后拆除所有不用原件,做0-7A调流 1、找到TL494 1脚和2脚电路,去除所有的原有电路,按照我上面的图进行改制,V0ut=(1+R1/R2)*VEF =(1+24/12)*(0~5) 自己计算阻值,R1=1脚的输出电压采样电阻,R2=对地分压电阻。 2、找到5V、12V连接1脚的采样电阻,去除5V采样电阻。 3、找到LM339,5脚 去除所有的 3.3 5 12 -5 -12过压、欠压电路 不懂电路的比较麻烦,(这里说一个方法,找到所有电压的输出端,反向拆除原件)保留原有电路的过流保护。如果您还需要过压保护教给你一个方法,找一个32V的稳压二极管接到输出电压采样端,另一边直接接到LM339的5脚,这样设置后,当电源异常输出大于15V的电压后,稳压二极管直接导通,让5脚为高电平,tl494电源停止工作。 4、这个比较重要,当你改了VEF参数,TL494 2脚 3脚的阻尼系数会变化,产生自激震荡,(最直接表现就是在小电压 大电流下,变压器发响而后烧管或保护---“死亡啸叫”)所以这里也需要改制,具体参数根据实验得出,一般为47k 和0.01无极电容。电位器对地和中点也要并接一个104电容,否则也会造成自激。 5、原有风扇电压已经变动,我又加了一个辅助电源,用手机充电器改造的.在12V输出位置串联一个45℃的温控开关,改造到输出级散热片上,当输出级散热片达到45℃时,自动启动风扇。 至此改造基本完毕,发成品图。
ATX可调电源第二季0-30V 0-30A[电源检修] http://bbs.mydigit.cn/read.php?tid=330173 ATX电源改造调流0~10A模式原理图[第二季] http://bbs.mydigit.cn/read.php?tid=331429 DIY ATX电源改可调0-30V 0-7A第三季[完结篇] http://bbs.mydigit.cn/read.php?tid=332185 (责任编辑:admin) |


![调压简图 [猪蹄煮不烂出品]DIY ATX电源改调压0-30V调流 0-7A第一季[更新原](/uploads/allimg/170721/220PQ263-0.jpg?13)
![分流电阻接法 [猪蹄煮不烂出品]DIY ATX电源改调压0-30V调流 0-7A第一季[更新原](/uploads/allimg/170721/220PWP9-1.jpg?66)
![过压、调压电路 [猪蹄煮不烂出品]DIY ATX电源改调压0-30V调流 0-7A第一季[更新原](/uploads/allimg/170721/220PQ535-2.jpg?78)
![[猪蹄煮不烂出品]DIY ATX电源改调压0-30V调流 0-7A第一季[更新原理] [猪蹄煮不烂出品]DIY ATX电源改调压0-30V调流 0-7A第一季[更新原](/uploads/allimg/170721/220PU415-3.jpg?125)
TL494原理zip.zip (96 K) 下载次数:1493 ![[猪蹄煮不烂出品]DIY ATX电源改调压0-30V调流 0-7A第一季[更新原理] [猪蹄煮不烂出品]DIY ATX电源改调压0-30V调流 0-7A第一季[更新原](/uploads/allimg/170721/220PT4L-4.jpg?146)
![[猪蹄煮不烂出品]DIY ATX电源改调压0-30V调流 0-7A第一季[更新原理] [猪蹄煮不烂出品]DIY ATX电源改调压0-30V调流 0-7A第一季[更新原](/uploads/allimg/170721/220PUG6-5.jpg?176)
![[猪蹄煮不烂出品]DIY ATX电源改调压0-30V调流 0-7A第一季[更新原理] [猪蹄煮不烂出品]DIY ATX电源改调压0-30V调流 0-7A第一季[更新原](/uploads/allimg/170721/220PW4H-6.jpg?123)
![[猪蹄煮不烂出品]DIY ATX电源改调压0-30V调流 0-7A第一季[更新原理] [猪蹄煮不烂出品]DIY ATX电源改调压0-30V调流 0-7A第一季[更新原](/uploads/allimg/170721/220PU040-7.jpg?212)
![[猪蹄煮不烂出品]DIY ATX电源改调压0-30V调流 0-7A第一季[更新原](/uploads/allimg/170708/1_0FQ1312153K.jpg)












