(责任编辑:admin) |
一、 唠叨一下 尘封了三年的芯片了吧,大学时期狠下......
首先要咯嗦下:本人酷爱音乐和电子DIY制作的作品很多,本着实用,经济的思想,追求完...
题目说明: aier就是我在论坛上的注册IDA4代表我最近设计的第4款耳放,甲类是因为我设...
用1A2做的单灯耳放,音量很大,感觉音质比2P2好。 2011-12-25 17:09:10 上传 下载附件...
首先来张电路图, 运放opa2132p耳放,耳机放大器,运放耳放,opa2132,...
做了很长时间洞洞板,决定自己开板设计台耳放,但是因为自己还不会protel99,所以PCB...
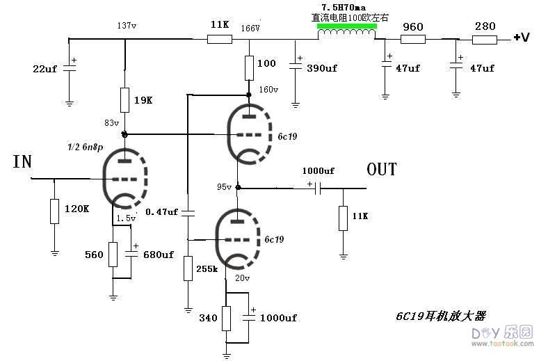
又一个新耳放咯
更新:2012-09-24
ECC88(6922 6N11 ECC88 6DJ8)电
更新:2012-08-25
刚做完的47耳放
更新:2015-06-14
我的“高仿diy制作”莱曼耳放
更新:2013-01-05