|
上个月拿了小鱼的仿HA5000PCB和基础的一套电阻和管子,开始diy,diy难度到时不大, 配齐其他的小零件花了蛮多功夫!按照小鱼新版仿HA5000的图纸修改一些电阻的参数, 将增益修改为11倍,静态电流调整到120ma,机器微热, 为了功率充足特意买了一个英国100VA的环牛!AC电源部分加了电源滤波器,电流更纯一些!顺便DIY了一条低烧电源线! ![]()
主滤波电解用了6个4700uf匈牙利原产飞利浦并芬兰产RIFA MMKO 0.1uf 6个!
修正了耳放一些音色,是的更讨好自己的耳机和我的耳朵,呵呵! 各级电容全用的是棕神2,耦合用的是棕神2 BP无极100uf, 反馈电容用了一对德国ERO金子弹100uf,感觉还不错!!
外加了一套USB DAC (pcm2704)可以更好的用于电脑吗!! 声音比集成的声卡干净利落多了!当然也MOD了一下usb dac部分!
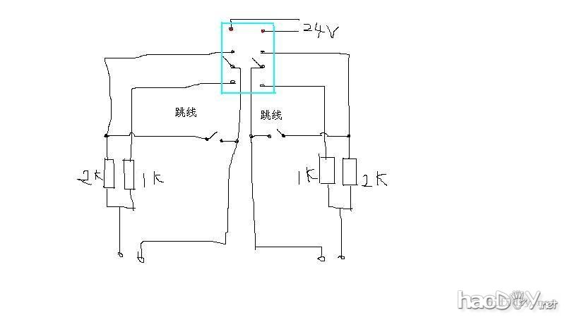
由于11倍增益退箱子还是不够,受论坛一哥们的启发有单独做了一块增益自动切换电路, 耳放11倍增益,功放20-30倍增益!退我换过单元的金正4寸箱子声音爽多了!!
装箱时蛋痛的发现电位器不能用pcb直接安装了,所以把它折腾成这个样子了 ![]()
谈下听感吧,用它退我的两幅耳机TS-671和RX900,声音感觉利落, 无输入时,音量调大最大,声音背景一片宁静,犹如一片静止的湖水; 来一曲加州旅馆,沙锤,吉他等乐器定位准确,鼓声苍劲有力,听人声音乐,感觉非常有磁性,其他就不多吹了! 之前做的黄金并管A1根本不是一个级别的东西!咳。。。。。 大家看图说话吧!背面有点复杂的I/O部分呵呵! ![]() ![]() 继电器也不方便要求很多触点的继电器才行!麻烦没有用开关搞定方便! 上个增益切换的图纸给你看下,应该你就明白了!!单位没装画图软件,用画图随便画的,请包涵!
(责任编辑:admin) |







(责任编辑:admin)






















