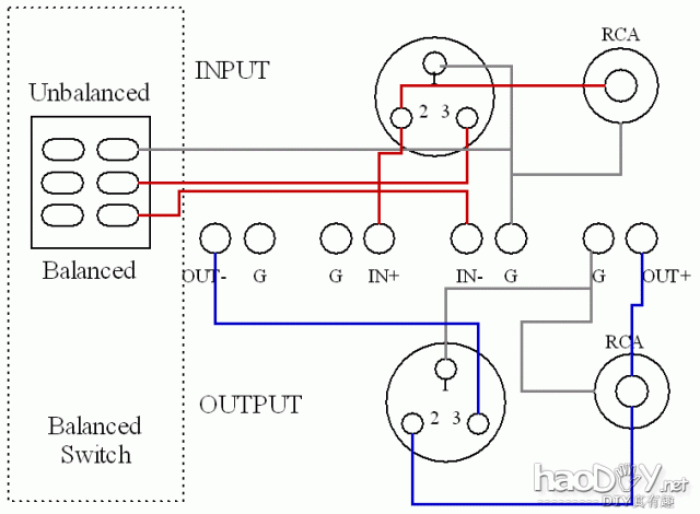
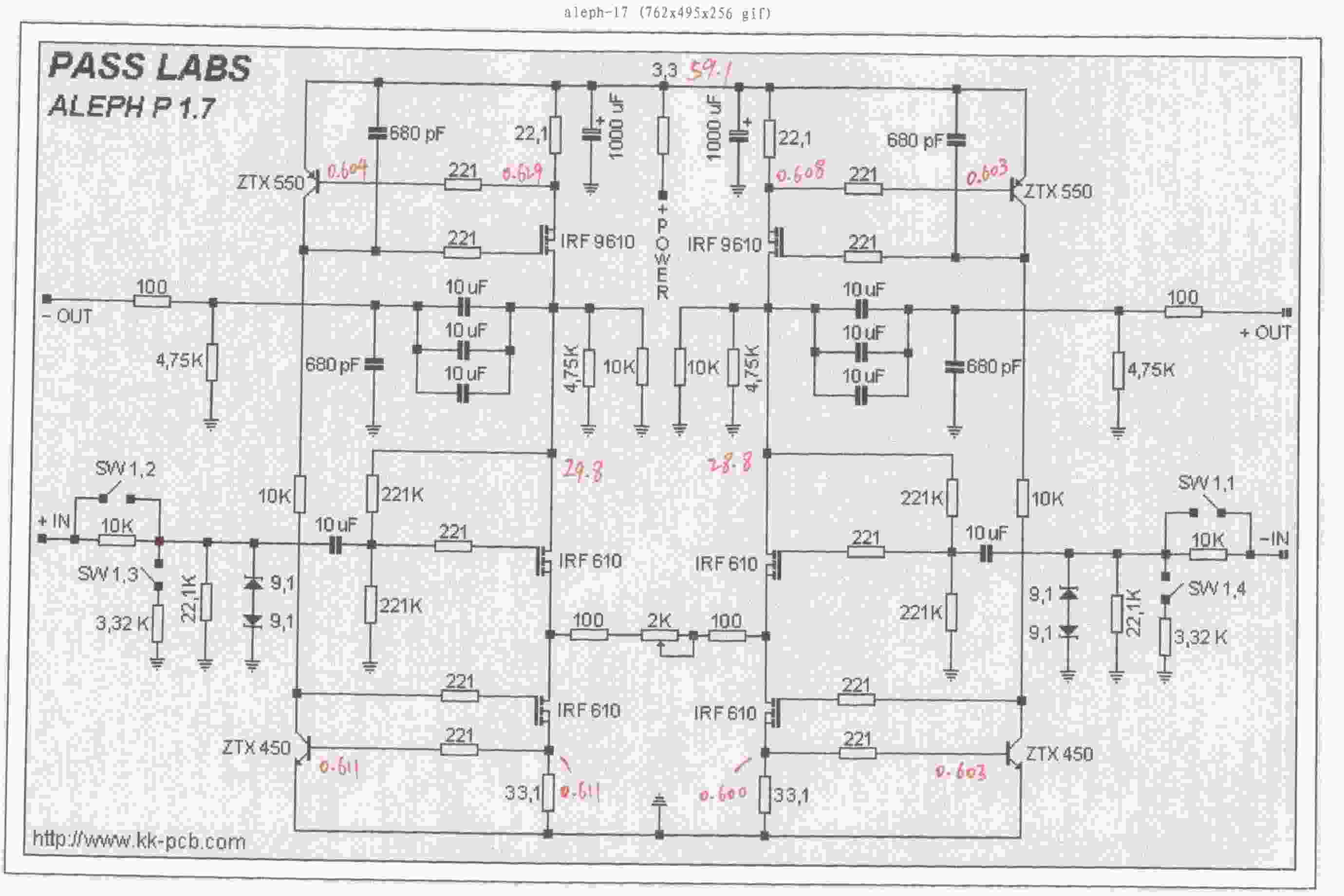
| 年初對於國內某 DIY 網站推出了一套 PASS Aleph-P 的複刻版, 對它的聲音的通透性與高音的清亮有著深刻的印象。 而某位友人也對此聲音表示滿意,希望能代尋,可惜此套件十分搶手, 一直沒有下文。原本想挑戰自己 Layout 的功力, 但鑑於 Aleph-P 所使用的 IRF610 與 IRF9610 皆須配對, 晶體的取得與配對於我似乎是個更大的挑戰,一直沒有著手。 此時,正好火龍兄有此計劃,在與他連繫之下, 於是又興起了再做一部 A-P 的計劃。 這次火龍兄的 Aleph-P 團購計劃包含了三個階段: 先是 PCB,再來是 CDE 950 10uF/250V 的金屬化聚丙烯 (metallized polypropylene)電容與精密電阻包, 最後是 IRF610 與 IRF9610 的配對晶體。 個人僅要再備料濾波電容,680pF 回授電容,DIL4 Switch, 與 58~68VAC 的變壓器,與兩個中型散熱片,十二個小型散熱片, 兩支 1N4004,二十二支 9.1V Zener 及相關配件就算完整了。 可以說是相當理想的團購計劃。詳細的零件表可於文末的連結下載。  圖一 火龍版的 Aleph-P PCB 加厚的 PCB,電容與電晶體等相關零件。 圖中找了些手上有的 0.1uF 電容做腳位比對,實在是 CDE 950 太大了, 僅有 WIMA MKP2(腳距 5mm)的大小比較合適, 如果是其他的 MKP 可得要銲到 PCB 背面了, 如此會增加整個 PCB 完成後的厚度,使得機箱的選擇更加困難; 另一個方法是使用臥式 PP 電容,架高在 CDE 950 之上。 確定零件無誤後按零件低高;Zener - 二極體 - 電阻 - DIL04 - ZTX451/551 - 680p - 2K SVR - CDE 950 - 交連電容的並聯小電容 - 濾波電容 - 穩壓的 IRF610 依序焊上。 注意:配對的 IRF610/9610 先不要裝,整個電源供應完成, 測試供誤後再裝,以免燒毀配對晶體。  圖二 2k SVR 與 DIL04 Switch 注意一下相關位置, 這關係到在稍後的調整篇會提到的調整方向。 零件包中有多一對 220R,可以讓您在不想使用 SVR 時取代之。  圖三 680p 雙信雲母電容與 ZTX551  圖四 680p 雙信雲母電容與 ZTX451  圖五 0.1uF 並聯電容的相關位置 由於 CDE 950 的腳位寬正好佔滿整個空位, 如果不使用 5mm 腳距的電容,可得要焊在背面或架空了。 其實您也可以試試不並小電容的聲音。 使用 5mm 與 7.5mm 腳距電容請注意其相對腳位, 一端的腳位僅有一個,而另一端的有三個,其擺位方向如圖所示。 如果沒有找到合適的 0.1uF 電容,原則上並聯電容為原電容的百分之一以下, 所以找個 0.068uF 或 0.047 uF 的也無不可。  圖六 濾波電容 原本預計每聲道使用六個 NCC 4700uF/100V 的 KMH 電容, 但結果有點塞不下,所以 C25 與 C27 改用 ELNA 3300uF/80V 的電容。 原廠設定的這六個濾波電容值都是 1000uF,要使用多少,各位可以自行決定。  圖七 濾波電容的另一個角度  圖八 IRF610 穩壓晶體與散熱片 由於穩壓晶體所產生的熱量較多, 建議使用中 H 型散熱片。由於在 PCB 外還有一組 C-L 濾波, 故將 PCB 上的橋整部份短路,C-L 濾波後由原 AC-IN 處進入。 整個計劃預計使用 C-L-C 濾波,A-P 的工作電壓 60VDC,電流 70mA, 先估算一下電感的值:L=R/2pf = (60/0.07)/(2*3.1416*120) = 0.019H。 可以做一對 20mH 150mA 的電感。 由於整個 PCB 架構上除了 R73(3R3)之外, 似乎沒有地方可以串聯電感,於是在外面加了顆整流子, 先 C-L 濾波後再接到 PCB 的整流子正極。  圖九 外加的電感 由於手上沒有 20mH 的電感,先以 10H 的代用。 由於全部的零件繁多,最好在上電前再檢查一下零件位置是正確, 腳位有沒有錯誤(尤其是電容)。就可以準備上電測試了。 使用的是 0-68VAC/1A 變壓器,電表調在 VDC 檔, 正極接在 PCB 板中間(R56 與 R71 中間,如圖十所示)的測試點, 負極接任一點的 "G" 。上電,注意有無任何冒煙、火花、聲響的發生, 有的話趕緊切掉電源,重新檢查一遍。 如果沒有的話,您可以看到測試點的電壓會緩慢上升,越來越慢, 最後到達 58~60V 之間。如果沒問題,恭禧您可以將配對晶體焊上, 要小心,整個電路無負載,電壓下降的速度可以說是蝸牛爬, 時間長短依您濾波電容的容量而定。正常的話,即使隔夜再試還是個 50V 左右。 建議您可以用電阻接在濾波電容 (C28、C30 一組;C29 一組;C25、C26、C27 一組;共三組分別放電) 的正負兩端,將電流洩放掉,這樣可以縮短等待的時間。 所需的功率 P=E^2/R,最大電壓約 60V。當然,電阻阻值愈小, 放電愈快,所需的瓦數愈大,各位可以依手上現有的電阻自行拿捏。  圖十 測試點的位置 於 R56 與 R71 的中間 在測試的過程中,有個小插曲:手上的 PCB 或許正好是個瑕疵品, 測試點到地短路(約 0.3 歐姆),每次電壓上升到 14V 左右就會放個小炮, 這可令我燒了兩支 IRF610,也繞了一大圈。 不過也很令我佩服這個板子,連續爆了兩次都還看不出來那兒有問題。 各位在做之前最好先測一下,免得白做工。  圖十一 火龍版的 AP 板子上有個錯誤處,Q18 為 IRF9610, 而 Q16 為 IRF610,做過之前某網站套件的應該很容易看得出來。 一般而言,配對晶體就算在規劃時也會配對擺放。  圖十二 IRF610 完成圖 再上電測試一次,這次主要是看看各配對晶體的工作電流。 R44 與 R59 的跨壓應為 0.63~0.65 間,兩邊的值應該一樣; 相同地,R55 與 R70 之間的跨壓也應為 0.63~0.65V,兩邊的電壓值應相同。  圖十三 IRF610/9610 工作電流測試 圖示的四個電阻跨在應為 0.63~0.65VDC。 再來說是增益的調整。原廠提供的建議是 DIL04 部份切換到最大, 2K SVR 自行調整。下面是 DIL04 Switch 的增益開關調整: GAIN SW1 SW2 SW3 SW4 1.3 dB OFF ON ON OFF 9.7 dB OFF OFF OFF OFF 15 dB ON OFF OFF ON 完成後的 SVR 調整,可以使用電阻表測圖十三中的 R51 與 R66 紅點的地方, 順時針為阻值加大(增益變小),逆時針則為減小(增益變大)。 廠機的建議是將 DIL04 SW 的增益開到最大,而 SVR 則是調小。 如果不想將 SVR 拉到外面(如廠機), 您也可以使用電阻包中多出來的 220R 來取代。  圖十四 非平衡輸入的接線圖 您可以做一個關關切換平衡與非平衡。 如果是非平衡輸入,原廠建議將負輸入下地,訊號接正輸入,輸出部份則不須更動。  圖十五 XLR 輸出與輸入端子座不相同 由於整張 PBC 略大於一張 A4 紙, 還有變壓器、音量衰減器、電感、電容、整流子、開關等元件, 加上使用了大號的濾波電容, 想來想去好僅僅有 DS 的後級機箱可以當火龍版 A-P 的家。  圖十六 裝箱規劃 兩聲道的 A-P 以 55mm 的銅柱相疊, PCB 的電源供應側與變壓器等置於機箱左側, PBC 的訊號輸入輸出側則與電位衰減器與訊號線同列於機箱右側。  圖十七 完工圖 可以開始享受美好的音樂了  (责任编辑:admin) | 




















