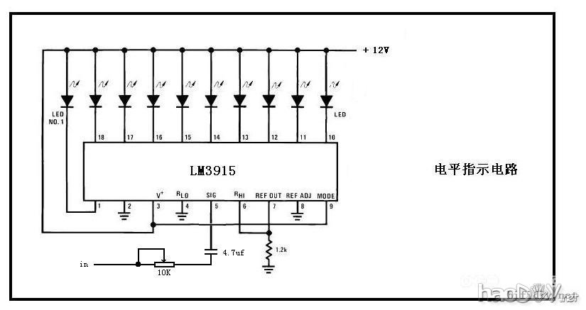
听音乐没东西看总觉得少了些什么,在论坛上看见有人弄电平指示,于是决定动手,找电路图。原图是这张:
但是在面包板上实验时发现接上功放是全部灯一起亮,一个一个检查后发现:那个4.7μ的电容是多余的。(有面包板就是好啊,错了还能从新接线实验) 于是就改成了现在这张图(这张图我画的够呛- -画了1个多小时- -III):
这张图删去了4.7μ电容和10K电位器(可以保留,只是用来调节输入音量大小的),只剩下三个元件:3915、LED(可以根据自己的喜好选择LED的颜色)、电阻 就三个元件,还不简单吗~ 因为手机电池没电,正在充电,晚上上实物图和效果~ 13:00更新 本来是晚上才上图,但是耐不住性子,借来老妈的手机~ 先来一张全家福~
咱学生穷啊,喇叭的箱子都没有,有同城的朋友愿意送我一个不 运费我出![]() 电平显示特写
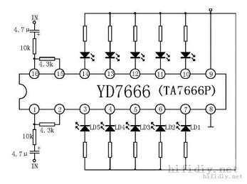
插播两段悲剧的场面:右边的最上面两个LED不知咋搞滴烧掉了TAT 两边LED的亮度不同。。左边的亮度低了点TAT看起来没效果,诶,要换LED 不错,我用TA7666P做,一个芯片搞定 ![]() LM3915上学时玩过,那个电路确实有些问题,当时参考电子报的电路,
调试发现和楼主状况相同,10个LED同时闪烁,经过一翻折腾发现必须将输入端接一只小电容到地才能正常如图: ![]()
(责任编辑:admin) |


听音乐没东西看总觉得少了些什么,在论坛上看见有人弄电平指示,于是决定动手,找电路图。


运费我出


















