|
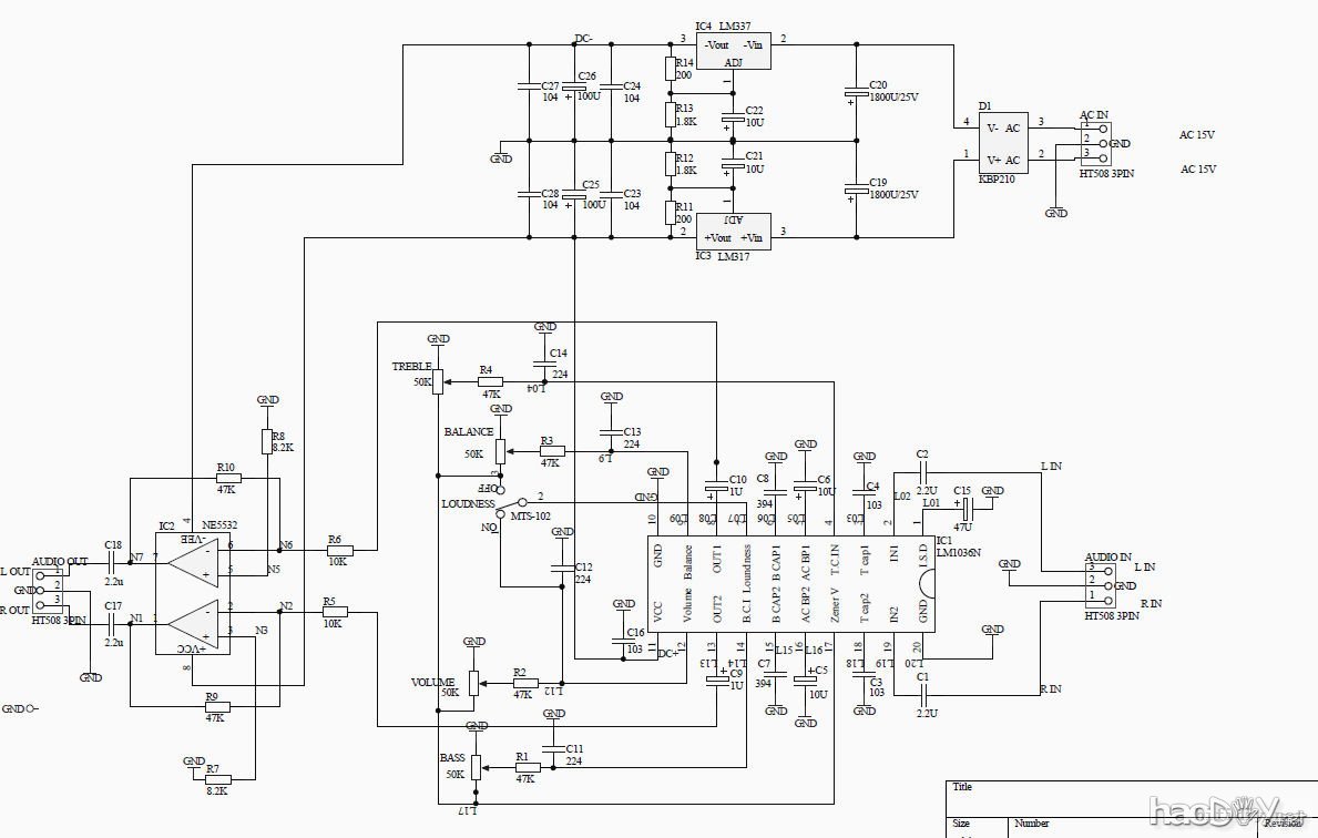
单面板的印版图,欢迎下载做板测试哈! 推荐使用感光板。 1036问世也有10多年了。 10多年来老菜鸟都一直改不了听音习惯。 一直喜欢Michael Jackson,和美国大片。 要看、听这些东西,就免不了要调一下高低音,因为房子小,放不下大口径喇叭,却又想兼顾听感。 大约刚好10年前吧,老菜鸟那时还是小菜鸟,用透明胶贴覆铜板,手刻了一个1036的单面板。 当时是相当满意哇! 春节前又打算做个音调板。 先画了5532的反馈式,又画了5532的AA类音调板。 都是觉得不太满意,就又打算做1036。就这时,看到论坛有人发帖说1036底噪大,还有不少人 跟帖附和。 这让老菜鸟觉得很郁闷,我记得没有当年底噪的哦。怎会那么多人跟着说呢? 这就两个可能,一个是10年前小菜鸟要求不高,没听出来。 另外一个可能是发帖说1036底噪大的人,板子没有做好。 反正闲着也是闲着,那咱就来验证一下吧。 由于上班忙,断断续续画了好多天才搞掂。 先画了个单面的,1036在前面,后面加运放做线路放大。 下面这个是最早的实验板,运放部分预留的孔位可以选择正相,也可以选择反相。 ![]() ![]() 但这个板子竟然没有焊出来。 然后老菜鸟又画了第二个版本。 考虑到正相放大有一只负反馈电容,我不喜欢这个。 就直接选用了反相放大模式。放大倍数定为5倍。 ![]() 手头刚好有一个丽扬的带音调机箱,为了方便装机,就以这个机箱的孔位来设计了。 后级配LM3886,这又断断续续搞了一个星期才弄好。 ![]() 通电一试,嘿嘿,果然不出所料! 没有底噪,非常的安静! 我这还是充斥着跳线的单面板哦。 ![]() 单面板算是成功了。 好东西(至少老菜鸟觉得是好东西)嘛,嘿嘿,应该分享。 开板! 双面板就是爽!一个跳线都不用,元件布局自由好多,铺铜也方便。 铺铜上面,老菜鸟的习惯是B面不做,只铺T面,而且不是个个地都连,信号区域选一个点跟铺铜连接, 电源区域选一个点跟铺铜连接,然后在电容中点联通。 坛友们可能看出来了,我在这里多用了两个104的电容,稳压用了LM317(设定为12V)。 电源部分和信号部分严格分开。 1521BASS的板子就是这样搞的。 我想,这样做会起到屏蔽噪声的效果。 ![]() 等待了漫长的半个月,其实这个板子是跟我那1521一起送去工厂开的。 终于拿到手(大家都知道我1521什么时候到的啦),但是天天忙天天加班。 一直到了这个星期一晚上,才有时间来焊机。 试装毫无意外,同我预想的一样,该有的有,不该有的都没有。嘿嘿。 1036的电位器其实单联就可以了,因为考虑到装机固定的方便,我板子上留的是 双联电位器的脚位。 ![]() ![]() 欢迎用过1036的弟兄来说说看法,也请之前说过1036底噪大的兄弟来讲讲感受。 ![]() 呵呵,相对于HI-FI的平衡的声音,1036自然是不同。 这个适合AV口味的。 PDF印板图下载 这个是原件安装图及参数: 红色的表示跳线 ![]() (责任编辑:admin) |


























