| 乙烯基的诱惑毫无疑问,长时间播放(LP)的唱片并不适合每一个人。有的只是不喜欢的点击和持久性有机污染物(比新与旧的黑胶唱片)。其他不喜欢的事实,你必须离开你的座位上交,你需要一个转盘和墨盒。幸运转盘和墨盒,即使是非常出色的,是不是贵了。再有就是RIAA唱机前置放大器的要求。 随着唱头不仅提供几毫伏的一个额外的高增益的前置放大器阶段是必需的。此外,当LP记录大师的低音是从音乐,让切割主更容易的凹槽较小。唱机前置放大器有两个工作:从墨盒中的小电压来放大和重新平衡对其他的低音频率(RIAA均衡)。这两项任务并不难,几元钱的简单的电子零件是需要建立一个良好的冠冕堂皇的唱机前置放大器。或者,您可以采取的消费方式和购买一个便宜的前置放大器或支付1万美元的顶部线模型。 但是所有的人经常听LP的同意对手的CD的音质。音乐爱好者和发烧友都发挥有限合伙人的声音充满激情。即使我卑微的齿轮(雷加/格拉多)我一直能够打动许多硬核CD为中心的音乐爱好者。产品的声音乙烯,超越持久性有机污染物和点击,可以非常动人,非常愉快的。如果你是一个DIYer来说,像我一样,你可以建立一些挡位越多,这个时候一个(或多个)唱机前置放大器(S)。 Boozhound实验室JFET RIAA唱机前置放大器套件boozhound实验室(BHL)出售的局部JFET唱机前置放大器套件,包括一个印刷电路板(PCB)和被动部件。该工具包制造商需要提供自己的电源,机箱和硬件(连接器,开关...),该工具包的内容如下所示。 
	 照片1:JFET唱机前置放大器套件包
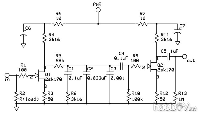
	 照片二:JFET唱机前置放大器套件内容的原理图(如下图所示),包括在详细的组装手册。BHL试剂盒采用相同的拓扑结构为“乐太平”电路与一些变化。在每个通道只有两个双向和一个简单的RIAA均衡网络,包括前置放大器。无论是设计了很多的调整是非常简单和开放的。它是专门为MM的墨盒。如果你有一个MC唱头,您将需要一个唱机前置放大器(DIY JFET唱机前置放大器的原理图页),或者你可以使用升压变压器。 图1:Boozhound实验室JFET唱机前置放大器套件原理图(RIAA)BHL已经稍微改变的原理,通过添加小源电阻,电源去耦电阻器(PS),额外的滤波电容器和一些优化的RIAA均衡网络。但是,他们花了整个概念的套件有很多方面比大多数,提供复古新老股票(NOS)俄罗斯军方纸油(PIO)电容。电容器用这种方法制成的追捧和尊重,他们的声音素质的DIY社区。不仅是这些帽子的PIO但他们的玻璃和金属包裹。 是经过深思熟虑的PCB电路板的底部差不多了坚实的铜板,将提供良好的屏蔽作用。我发现小了,难以焊接的焊盘。为了获得最佳效果,请使用细烙铁头和一些通量。PCB丝网印刷和焊接屏蔽焊接飞溅和短裤是不应该发生。PIO电容很大,很好看。金属膜电阻器也似乎是质量好。 大会 - JFET唱机前置放大器套件
	我的PCB组装的方法是离开这个敏感的有源器件将持续,除非这将是难以适应。因为JFET器件,以适应一个完全填充板很容易,我把焊接的电阻,电容的双向。这是很容易的整个PCB组装在一个小时内。使用数字万用表(DMM)检查电阻器的颜色带一些我的眼睛一点不显着。我剔过的组件,因为我组装的PCB。我喜欢使用含银焊锡  
	 照片三:成品的JFET唱机前置放大器套件PCB在19“1U机箱的电源电池萨瑟兰工程产生了一些非常高端,非常受尊敬的唱机前置放大器。大部分都是电池供电。一般银行D细胞。为什么D细胞?罗恩·萨瑟兰认为你应该一年一次,只需要改变你的电池。因此,大细胞。我已经建立了几个的JFET唱机前置放大器,无论是从电池运行。平局仅约15mA,1.5V AA碱性电池,我希望替代(约4更换电池一年对我来说)之间的上场时间超过100小时的容量为2000mAh的容量。 (责任编辑:admin) | 





 。质量的焊料会增加最终的结果。我的成品板的照片如下所示。组装手册包括引导您完成构建过程中的详细说明和许多照片。
。质量的焊料会增加最终的结果。我的成品板的照片如下所示。组装手册包括引导您完成构建过程中的详细说明和许多照片。



















