|
在电子建造中,运用单向或双向可控硅作为开关、调压的执行器件是很利便的,并且还可以节制直流、交换电路的负载功率。可是,目 前有些电子建造文章中,对可控硅的运用常有谬误之处。可以说,此类电子建造稿纯粹是杜撰出来的,不要说建造,生怕作者连最少的尝试也未做过,这岂不是造成对初学者的误导吗?! 常见的电路计划不妥之处约莫有以下几点。 一、触发电路的题目 若欲使可控硅触发导通,除有足够的触发脉冲幅度和正确的极性以外,触发电路和可控硅阴极之间必需有配合的参考点。有些电路从外貌看,触发脉冲被加到可控硅的触发极G,但可控硅的阴极和触发信号却无配合参考点,触发信号并未加到可控硅的G—K之间,可控硅不行能被触发。
图1a例为555构成的自动水位节制电路,用于水塔自动保持水位。该文建造者思量到水井和水塔中的水不能带市电,故555节制体系用变压器断绝降压供电。555第3脚输出脉冲接入双向可控硅的G点。因为双向可控硅T1对节制电路是悬空的,555第3脚输出脉冲基础不能形成触发电流,可控硅不行能导通。再者,该电路虽回收断绝市电的低压供电,但节制电路如故通过G、T1极与市电相连, 当220V输入端B为前方时, 井水和水塔供水将代有市电电压,这是毫不应承的!
正确的方法见图1b。可控硅与抽水电机构成抽水节制开关,SCR的触发由T2与G间接入电阻节制。当水位低落时,节制触点开路,555第3脚输出高电平(此电路部门省略),使Q导通,继电器J吸合,SCR触发导通,电机开始运转。当水位到达时, 触点经水接通,555第3脚输出低电平,Q截至,SCR在交换电过零时截至,抽水遏制。 上述电路因计划思量不周,呈现了不应有的初级错误。但相同水塔供水节制体系与市电不断绝的计划,却常呈此刻电子书刊中。
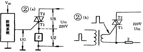
触发电路计划不妥的第二个例子常见于电子建造稿中,其电路见图2a, 图中对电路举办简化。着实, 无论节制体系完成何种节制,无论是单向照旧双向可控硅, 图2的触发电路是不能正常事变的。其题目在于,节制体系发出触发信号UG,其参考点是共地,而可控硅T1或T2的参考点是负载热端。现实上, 加到可控硅的触发电压UG是与负载端电压UZ相串联的。双向可控硅毕竟是T1照旧T2为触发参考点,视触发信号的相对极性来抉择的。如按图2中标注,T1在下,T2在上, 则UG相对付T1必需是正极性的, 且与T1的电压同参考电位。但无论T1照旧T2作参考点, 按图2a的接法,可控硅导通时,UZ常近似便是Uin,云云高电压加到触发极G和T1之间, 将当纵然触发极被击穿,可控硅被破坏。 改造此电路的要领之一是,回收触发变压器断绝节制体系的参考点(如图2b), 触发信号可以由BT33构成锯齿波产生器受控于节制体系(矩形波也可以),这样,不受低级参考点的影响,触发变压器次级可直接接在G与T1之间,与负载上电压无关。 另一简朴改造要领是,将负载电路Z移到图2a的T2与Uin之间。不外,这种用法受到限定,因负载两头都无法接入任何参考点。 二、电感负载的应用 迩来, 市场上出售一种调光器, 相同某些调光台灯内节制电路,操作节制RC充电时刻。通过双向二极管节制可控硅的导通角,节制负载电路的功率, 实为调功器。这种调功器用于节制白炽灯、电阻加热器等电阻性负载,要求可控硅耐压高于交换电的峰值电压即可。一样平常台灯调光。常用反压400V的可控硅,思量到进步靠得住性,600V已足够。 可控硅用于节制电感负载,譬如电电扇、交换打仗器、有变压器的供电装备等,则差异。由于这种移相式触发电路,可控硅在交换电半周一连时代导通,半周过零时代截至。当可控硅导通刹时,加到电感负载两头电压为交换电的瞬时值, 偶然也许是交换电的最大值。按照电感的特征,其两头电压不行能突变,高电压加到电感的刹时发生反向自感电势, 阻挡外加电压。外加电压的上升曲线越陡,自感电势越高,偶然乃至高出电源电压而击穿可控硅。因此,可控硅节制电感负载,起首其耐压要高于电源电压峰值1.5倍以上。另外,可控硅两电极间还要并联接入RC尖峰接收电路。常用10— 30Ω/3W 以上电阻和0.1—0.47uF/600V的无极性电容。 交换调功电路中,可控硅是在交换电过零时代关断, 从理论上讲,关断时电流变革为零,无感到电压发生。插手RC尖峰克制电路,是为了克制可控硅导通时的自感电势尖峰。如不插手此电路,不单可控硅极易击穿,负载电路的电感线圈也会发生匝间、或电机绕组间击穿,这点是决不能忽视的。 三、该无级调压电路能用吗?
图3是某电子杂志刊出的无级直流输出调压电路。原作者称,操作Rc移相网路节制SCR的导通角改变变压器低级的电流,从而得到两路持续可调的2x(0—17V) 的直流输出电压,负载电流为800mA 。很明明,保举电路(图3)是平凡移相式调功电路和降压变压器整流滤波电路的串联, 从根基道理说明,好像无大的原则题目。变压器低级每半周电流有用值随可控硅导通角变革,次级输出电压的峰值、均匀电流值都随之而变。虽然,必然负载时输出整流电压也肯定改变。本人看后,极感乐趣,依此道理建造了一台输出100±40V范畴变革的维修代用直流电源,并依照图中虚线插手RC接收回路。尝试时,该电路一接入电源,距此10米远的电视机屏幕上即呈现两条迟钝移动的黑带(从邻人的责问中得知),同时,空载下不到异常钟,SCR即击穿。更不能容忍的是,降压变压器铁心发出拖沓机启动时的声音,室内电度表也发出同样的声音,并且,跟着输出电压的调低,声音更大。 SCR击穿后, 本人在市电输入电路插手RC低通滤波,改用1000V/5A双向可控硅,变压器的噪声和滋扰脉冲幅射没什么大的变革,只是 SCR未击穿。为了不扰邻,以及快的速率将输出电压调到60V, 用电压表丈量次级电压,尽量负载电流仅100mA,滤波电容为470uF/100V,但万用表的表针发抖呈虚线状,可见其纹波大到什么水平。 沉着下来后,细心说明其缘故起因,得出以下结论:颠末移相调功之后,变压器低级电压已不是正弦波,而是锯齿波沿陡峭的前沿形成攻击磁场,使变压器、电度表等铁芯电感发出相等大的噪声。近似垂直上升的突变电压,在变压器低级大电感两头发生极高的反电势,因此击穿可控硅,时刻稍长,乃至还要击穿变压器低级层间绝缘和电度表的电压线圈。当调低输出电压时,t1减小,t2增大,这种占空比极小的锯齿形电压,(见图中波形)。 一样平常的滤波电路是无能为力的, 除非将负载电流减到极小,或滤波电路回收LC滤波。无论怎样,占空比极小的电源照旧不能顺应的,其电压均匀值将随负载大幅度变革。电压调得越低,其纹波滤除越坚苦,这是很明明的。尝试中发明,若在小范畴内调解,如变压器低级电压在180~220V之间变革, 上述噪声明明减小,次级纹波也低落, 但又有何代价呢?若读者感乐趣,不妨一试!
(责任编辑:admin) |




















