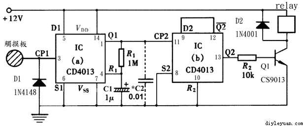
这个电路是使用CMOS电路CD4013双D触发器,分别接成一个单稳态电路和一个双稳态电路组成的触摸电子开关电路。单稳态电路的作用是对触摸信号进行脉波宽度整形,保证每次触摸动作都可靠。双稳态电路用来驱动电晶体Q1的开通或关闭,进而控制继电器。
![]()
触摸开关电路的照片
以下是找到的基本原图:
![]() CD4013触摸开关电路1
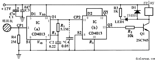
但又参考了一些其它的相关电路,加上电源的滤波电容及LED指示,输入的对地电阻改为2M电阻,改变它可以改变它的灵敏度。电路做了小部份的修改后如下图。
![]() CD4013触摸开关电路2
M为触摸电极片,手指摸一下M,使人体泄漏的交流电在R4上的压降,其正半周信号进入IC1的第3脚即单稳态电路的CP端,使单稳态电路反转进入暂态,其输出端Q即1脚由原来的低电位跳变为高电位,此高电位经R1向C2充电,使4脚即R1端的电位上升,当上升到複位(Reset)电位时,单稳态电路复位,1脚恢复低电位。所以每触摸一次电极片M,1脚就输出一个固定宽度的正脉波。此正脉波将直接加到11脚即双稳态电路的CP端,使双稳态电路反转一次,其输出端Q即13脚电位就改变一次。当13脚为高电位时,Q1的基极透过R2获得正向电流而开通,使继电器动作,进而以它的接点来做控制。由此可见,每触摸一次电极片M,就能实现继电器“开”或“关”的动作。
元件选择与制作,CD4013为双D触发器,它采用14脚双列直插式塑封包装。Q1採用CS9013或2SC945等小功率NPN电晶体即可。
以下附上CD4013的接脚图及真值表:
![]() CD4013的引脚图 ![]() CD4013的真值表
以下为电路板LAUOUT及零件配置图:
(责任编辑:admin) |






















