|
春节燃放爆竹是我国劳感人民的传统习俗。这里先容的电子“爆竹”很是风趣:当你按图1所示按下“爆竹”顶端的小型按钮开关时,它便会发出长约20s的“噼噼——啪啪——”爆竹声来。这种新奇的电子“爆竹”与传统火药爆竹对较量,具有安详、无污染、可一再行使等特点,是逢年过节喜庆时的抱负电子小装置。
又是一年新春到。同窗们何不赶紧动作起来,制作这样一个电子“爆竹”,让它给节日的家庭增加更多欢悦、喜庆空气! 一、事变道理 电子“爆竹” 的电路如图2所示。它首要回收了模仿声集成电路A,所发生的“爆竹”声异常传神,可以到达以假乱真的境地。 SB为小型按钮开关,起触发A内部电路事变的浸染。平常,电路处于静态不事变状态,整个电路耗电异常细小,实测总电流仅为1μA阁下。每当有人按动一下SB时,A的触发端TG就会得到正脉冲电信号,A内部电路受触发事变,其输出端OUT便会输出一遍长达20s的内储模仿爆竹声电信号,经晶体三极管VT功率放大后,敦促扬声器B发出清脆的“爆竹”声。
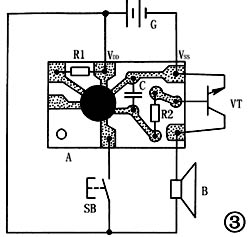
电路中,R1是A的外接振荡电阻器,其阻值巨细影响“爆竹”声的速率快慢和音调坎坷。电容器C首要用于滤去模仿声集成电路A所输出信号中一些不动听的谐波因素,使“爆竹”声越发响亮清脆。电阻器R2首要起限流浸染,,可有用防备个体β值过高的功率放大三极管发生自激征象。 二、元器件选择 A选用KD-5601型模仿声集成电路,它回收黑胶封装情势制作在一块尺寸约为23mm×14mm的小印制电路板上(拜见图3所示),并给有外围元件焊接脚孔,行使很利便。KD-5601的首要参数:典范事变电压为3V,触发端应承输入电压范畴VSS-0.3~VDD+0.3V,音频输出端驱动电流≥1mA,静态耗电≤1μA,行使温度范畴-10℃~60℃。
VT选用9013或3DG12、3DX201、3DK4型硅NPN中功率三极管,要求电放逐大系数β>100。 R1、R2均用RTX-1/8W型碳膜电阻器。C用CT4D型独石电容器。B用φ29mm×9mm、8Ω、0.25W超薄微型动圈式扬声器,以减小体积、利便安装。 SB可用6mm×6mm小型轻触开关,亦可用KAX-1型按钮开关。G用两节5号干电池串联(须配塑料电池架)而成,电压为3V;如嫌扬声器发声小,可将电压进步到4.5伏,即用三节5号干电池串联后供电。 三、制作与行使 整个电路以模仿声集成电路A的芯片为基板,凭证图3所示举办焊接,不必其它再制作印制电路板。焊接时留意:电烙铁外壳必然要精采接地,以免交换感到电压击穿A内部CMOS集成电路! 整个电路装入尺寸约为φ35mm×120mm的爆竹造型壳体内。该壳体既可用赤色厚纸板粘制,也可用一段赤色塑料管加工制成。将所有焊接好的电路安装到“爆竹”内里去。留意在“爆竹”恰当位置处为扬声器B开出放音孔,在“爆竹”顶端部开孔牢靠安装小型按钮开关SB,以利便行使。 装配好的电子“爆竹”,只要电路元器件质量有担保,焊接无误,一样平常不需任何调试便可投入行使。万一行使中发明“爆竹”声不足传神,可通过恰当改变电阻器R1的阻值来加以调理。R1取值范畴一样平常在910kΩ~1.5MΩ之间。假如电路发生自激振荡,可通过在模仿声集成电路A的电源端跨接一只22~47μF的电解电容器(正极接VDD、负极接VSS)来加以解除。 因为整个电路平常静态耗电很小,故电路未配置电源开关。但长时刻不消电子“爆竹”时,应将干电池从电池架上取出来,以免电能自身耗损尽后,电池流液腐化坏电路。 |





















