|
发电机是按照电磁感到道理制成的,当线圈在磁场中做切割磁感线行为时,线圈中就会发生感到电动势。若使轻风风扇电念头的转子(磁极)绕定子(线圈)旋转,线圈就会因切割磁感线而发生感到电动势,使电念头酿成一“发电机”。 器材与原料 轻风风扇,多用电表,发光二极管(2只),平凡二极管,导线,电源。 勾当进程 一、体验“电震” 1.如图1—1-57—1所示,用手迟钝拨动轻风风扇发动转子(磁极)动弹,将手指同时触及插头的A、B两头,能感想明明的“电震”。
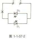
2.在风扇插头处并接一个多用电表,将电表拨到交换100伏档,使转子动弹,调查电表指针变革。 发明电表指针有偏转,且该“发电机”发生电压的最大值可达 二、表现交换电的j 1.按图1—1-57-2所示毗连电路,该电路用作电流偏向表现器,个中Dl和D2为2只别离发红光和绿光的发光二极管(本尝试中因电源内阻较大,约为300欧,故线路中未接人限流电阻)。将o、6两头依次接直流电源、超低频交换电源和频率较高的交换电源,调查D,、D2的变革。 发明o、6两头接直流电源时,当。端接正极,只有D,导通,发红光;当6端接正极,只有D2导通,发绿光。o、6两头接超低频交换电源时,D,和D2瓜代导通,瓜代发出红光和绿光。o、6两头接频率较高的交换电源时,因为人眼视觉的暂留效应,看到2只发光二极管“同时”发光。 2.将图1—1—57—2所示的电流偏向表现器并接在轻风风扇的插头上,动弹风扇的转子,调查D1、D,的发光环境。 发明当转子的转速较量慢时,Dl和D2瓜代发光;当转子转速加大时,2只发光二极管瓜代发光频率亦加速。
上述征象表白,动弹风扇发生的是交换电,且该交换电的频率随转子转速的增大而增大。 三、表现二极管的整流浸染 在图1—1—57—2电路画“X”处串人一只平凡二极管,将该电路并接在轻风风扇的插头上,动弹风扇转子,调查D1、D2的发光环境。 发明动弹转子后,只有某一个发光二极管发光。 上述征象表白,经二极管整流后外电路中只有单向脉动电流。 声名与延长 用轻风风扇作电源,借助示教电表表现交换电有关特征的要领: 将轻风风扇插头的两头别离与示教电表的2个接线柱相连(示教电表用直流“2.5—0—2.5毫安”或“5—0—5伏”通路板),并把电表调成中心零位式。 使风扇转子(磁极)匀称且迟钝地旋转,并使其极性调动的节拍与电表指针体系自由摆动的周期相靠近,于是电表指针就以零位为中心阁下对称地摆动起来。这表白线圈中发生的是偏向作周期性变革的交换电。 使转子的转速逐渐增大,电表指针的摆动次数也随之增进,但因指针体系自己的惯性,,指针摆动的幅度反而减小。当转子转速大到必然数值后,指针只是在电表的零位四面作小幅度摆动(乃至不动),从而声名用直流电表不能表现频率较高的交换电,且在用示教直流电表表现交换电时必需回收超低频交换信号。 |










![[视频] 数显调频立体声收音机DIY](/uploads/allimg/120909/1-120Z9161I40-L.jpg)

![[视频] LM1875 功放制作](/uploads/allimg/120908/1-120ZR132390-L.jpg)



