|
看到市场上正在风行的时尚商品——摇晃LED 时钟,感受很是新奇奇异,正在玩单片机的我,激起了本身也想DIY 一个的激动。不就是一个流水灯吗?有什么难的?! 于是,一个单片机项目就这样开始了。然而下手往后才知道题目并非想象那样简朴,因没有任何现成的资料,机器的、电子的和编程的题目一大堆,一个一个必要本身来办理。经验二十多天的苦战和无数次的修改与调试,作品终于完成,根基到达预先要求。
现将制作资料清算出来,与宽大DIY 喜爱者分享。
一. 整体方案
本制作是按照视觉暂留道理, 让一排8 只LED作来去行为, 在空中泛起八个字符的表现屏,可表现数字或英笔墨符。开机后先表现“Welcome!”接待字符(见图1), 再进入时钟表现状态。表现屏同时表现“时” 、“分” 、“秒”信息,用“:”脱离(见图2)。
图1 开机画面
图2 运行状态
表现分“正常运行”、“调分”和“调时” 三种状态。当处于调解状态时,调解的项会闪现,以便辨认。为此,配置三个调解按键,一个为“状态键”,一个为“加法键”,一个为“减法键”。(见图3)
图3 按键的配置
图4 音圈电机组件
摇棒的动力部门回收从废旧硬盘拆下的音圈电机(见图4),驱动回收直流电机驱动方法。
布局方面,将音圈电机直接安装在万用板上,将万用板的附近用四根螺柱与一透明有机板团结成一体,组成支撑摇棒底座。(见图5, 图6)。
图5 万用板与有机板组成底座
图6 底座侧面
二. 实作要点
1. 主板的布局机关见图7。
图7 主板机关
图8 摇棒上的LED
2.LED 的焊接,将LED 两脚跨接在电路板两头的方法举办焊接。使LED 细密分列在一路。
3.摇棒上的LED 与主板上的信号用柔性排线毗连,音圈电机供电占2 位,LED 信号传输占9 位,以是至少要11 位的排线。(见图9)
图9 排线与拉簧
图10 拉簧
4.为保持摇棒的均衡, 在摇棒靠近旋转轴的两头加装两只拉簧,这两只拉簧的规格只管保持同等,弹性强弱要适中,最好可多找几种规格的试试。(图9,图10)
5.回收驱动直流电机正反转的方法,驱动音圈电机往返摆动。让电机正、反转的要领许多,最典范的是H 桥电路驱动,H 桥电路道理见图11,常见的是用三级管取代图中的开关。
图11 H 桥驱动道理
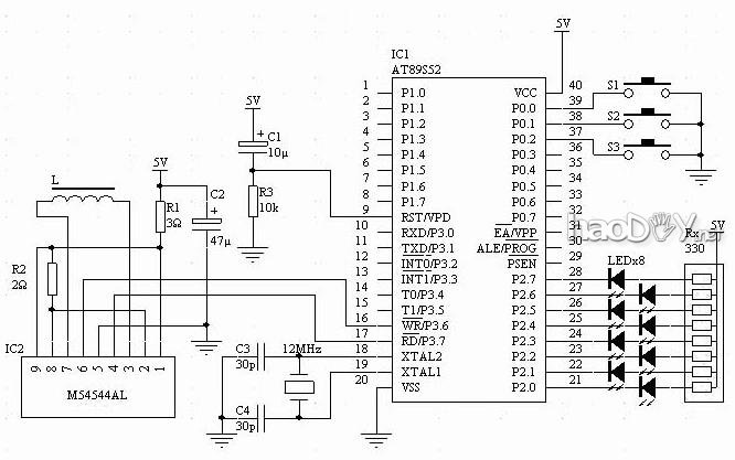
为了简化电路,最好回收H 桥成果的集成电路。这种IC 许多,好比象TA7257,TA8429H,L6203 等,这里用的是三菱公司的M54544AL(见图12)。IC 各脚界说见图13。
图12 电机驱动IC
图13 M56544AL 各脚界说
6.电道理图见图14。
图14 电道理图 7.完成图见图15。
图15 完成图 三. 软件计划
1. 摇棒的启动
为了使摇棒从静止状态太过到正常运行状态,在正式表现前加一启动措施。着实质就是逐渐加速驱动的频率,一向到摇棒正常摆动为止。通过下面的代码实现 do { mm++; Delay(120+mm); put1=~put1; put2=~put2; }while(mm<60); Delay(20); //按照现实环境确定延时值
2. 秒闪现的实现:数字或字符的闪现是通过变量Ms 和数组w[]实现的,如必要八位字符中的间的第4 位闪现,则w[3]=1。这是通过全局变量Ms 在void timer0(void)函数中每隔一秒改变一次状态(0 或1),打开或封锁表现。 if(Ms*w[ii-3]==1) P2=0xff; else P2=~ASCIIDOC[v[ii]*6+jj]; //正向表现 if(Ms*w[10-ii]==1) P2=0xff; else P2=~ASCIIDOC[v[13-ii]*6+5-jj]; //反向表现
3. 调试中发明,表现屏上的字符并不是一样宽的(见图16),细心说明是因为摇棒在行为中,一向受力,并且所受的力是随时变革的。为利便准确调解表现,出格作了一个表现间断表Tr[],改变表现LED 的时刻段,和谐表现结果。
图16 调解前的表现 4. 按键去抖措施 按键的去抖回收软件编程实现,其要领是当检测到按键的接口呈现低电平后,隔一段时刻再检测,如照旧低电平,则确以为有用,不然无效。详细的措施是通过函数unsigned char ChKey(bit Key)完成的。
5. 表现同步 因没有位置传感器,表现同步完端赖时钟间断来确定。这样就有一个题目,音圈电机的驱动信号在什么时候改变,表现才气保持在中间,并能担保正反表现能很好地重合。经现实调查, 音圈电机的驱动信号在表现中部, 要按照详细环境细调。由措施中的变量Ta 调试确定。
6. 完备C51 措施代码 /* POV 摇晃表现LED 钟C51 措施 周正华编 2008.3.19 */ #include /*硬件端口界说*/ sbit set0=P0^1; sbit set1=P0^0; sbit set2=P0^2; sbit put1=P3^6; sbit put2=P3^7; /*时钟用数组*/ unsigned char BUFFER[]={0,0,0,0}; unsigned char maxnum[]={59,23}; /*表现数组*/ unsigned int v[14]; unsigned int w[8]; /*表现间断表*/ int code Tr[]={ 2000,2000,2000,2000,2000,2000, 2000,2000,2000,2000,2000,2000, 2000,2000,2000,2000,2000,2000, 2550,2500,2450,2400,2350,2300, 2250,2200,2150,2100,2050,2000, 1950,1900,1850,1800,1750,1700, 1650,1600,1550,1500,1450,1400, 1400,1450,1500,1550,1600,1650, 1700,1750,1800,1850,1900,1950, 2000,2050,2100,2150,2200,2250, 2300,2350,2400,2450,2500,2550, 2000,2000,2000,2000,2000,2000, 2000,2000,2000,2000,2000,2000, 2000,2000,2000,2000,2000,2000, }; /*字符字模*/ unsigned char code ASCIIDOC[] = // ASCII { 0x7C,0x8A,0x92,0xA2,0x7C,0x00, // -0-00 0x00,0x42,0xFE,0x02,0x00,0x00, // -1-01 0x46,0x8A,0x92,0x92,0x62,0x00, // -2-02 0x84,0x82,0x92,0xB2,0xCC,0x00, // -3-03 0x18,0x28,0x48,0xFE,0x08,0x00, // -4-04 0xE4,0xA2,0xA2,0xA2,0x9C,0x00, // -5-05 0x3C,0x52,0x92,0x92,0x8C,0x00, // -6-06 0x80,0x8E,0x90,0xA0,0xC0,0x00, // -7-07 0x6C,0x92,0x92,0x92,0x6C,0x00, // -8-08 0x62,0x92,0x92,0x94,0x78,0x00, // -9-09 0x00,0x00,0x00,0x00,0x00,0x00, // - -10 0x00,0x00,0xFA,0x00,0x00,0x00, // -!-11 0x04,0x08,0x10,0x20,0x40,0x00, // -/-12 0x00,0x6C,0x6C,0x00,0x00,0x00, // -:-13 0x3E,0x48,0x88,0x48,0x3E,0x00, // -A-14 0xFE,0x92,0x92,0x92,0x6C,0x00, // -B-15 0x7C,0x82,0x82,0x82,0x44,0x00, // -C-16 0xFE,0x82,0x82,0x82,0x7C,0x00, // -D-17 0xFE,0x92,0x92,0x92,0x82,0x00, // -E-18 0xFE,0x90,0x90,0x90,0x80,0x00, // -F-19 0x7C,0x82,0x8A,0x8A,0x4E,0x00, // -G-20 0xFE,0x10,0x10,0x10,0xFE,0x00, // -H-21 0x00,0x82,0xFE,0x82,0x00,0x00, // -I-22 0x04,0x02,0x82,0xFC,0x80,0x00, // -J-23 0xFE,0x10,0x28,0x44,0x82,0x00, // -K-24 0xFE,0x02,0x02,0x02,0x02,0x00, // -L-25 0xFE,0x40,0x30,0x40,0xFE,0x00, // -M-26 0xFE,0x20,0x10,0x08,0xFE,0x00, // -N-27 0x7C,0x82,0x82,0x82,0x7C,0x00, // -O-28 0xFE,0x90,0x90,0x90,0x60,0x00, // -P-29 0x7C,0x82,0x8A,0x84,0x7A,0x00, // -Q-30 0xFE,0x90,0x98,0x94,0x62,0x00, // -R-31 0x64,0x92,0x92,0x92,0x4C,0x00, // -S-32 0x80,0x80,0xFE,0x80,0x80,0x00, // -T-33 0xFC,0x02,0x02,0x02,0xFC,0x00, // -U-34 0xF8,0x04,0x02,0x04,0xF8,0x00, // -V-35 0xFE,0x04,0x18,0x04,0xFE,0x00, // -W-36 0xC6,0x28,0x10,0x28,0xC6,0x00, // -X-37 0xC0,0x20,0x1E,0x20,0xC0,0x00, // -Y-38 0x86,0x8A,0x92,0xA2,0xC2,0x00, // -Z-39 0x24,0x2A,0x2A,0x1C,0x02,0x00, // -a-40 0xFE,0x14,0x22,0x22,0x1C,0x00, // -b-41 0x1C,0x22,0x22,0x22,0x10,0x00, // -c-42 0x1C,0x22,0x22,0x14,0xFE,0x00, // -d-43 0x1C,0x2A,0x2A,0x2A,0x10,0x00, // -e-44 0x10,0x7E,0x90,0x90,0x40,0x00, // -f-45 0x19,0x25,0x25,0x25,0x1E,0x00, // -g-46 0xFE,0x10,0x20,0x20,0x1E,0x00, // -h-47 0x00,0x00,0x9E,0x00,0x00,0x00, // -i-48 0x00,0x01,0x11,0x9E,0x00,0x00, // -j-49 0xFE,0x08,0x14,0x22,0x02,0x00, // -k-50 0x00,0x82,0xFE,0x02,0x00,0x00, // -l-51 0x1E,0x20,0x1E,0x20,0x1E,0x00, // -m-52 0x20,0x1E,0x20,0x20,0x1E,0x00, // -n-53 0x1C,0x22,0x22,0x22,0x1C,0x00, // -o-54 0x3F,0x24,0x24,0x24,0x18,0x00, // -p-55 0x18,0x24,0x24,0x24,0x3F,0x00, // -q-56 0x20,0x1E,0x20,0x20,0x10,0x00, // -r-57 0x12,0x2A,0x2A,0x2A,0x24,0x00, // -s-58 0x20,0xFC,0x22,0x22,0x24,0x00, // -t-59 0x3C,0x02,0x02,0x3C,0x02,0x00, // -u-60 0x38,0x04,0x02,0x04,0x38,0x00, // -v-61 0x3C,0x02,0x3C,0x02,0x3C,0x00, // -w-62 0x22,0x14,0x08,0x14,0x22,0x00, // -x-63 0x39,0x05,0x05,0x09,0x3E,0x00, // -y-64 0x22,0x26,0x2A,0x32,0x22,0x00, // -z-65 }; unsigned int Ti; unsigned char ii,jj,mm, ff ,TZ ,Ms ,Ta; /*延时措施*/ void Delay(unsigned int msec) { unsigned int x,y; for(x=0; x<=msec;x++) { for(y=0;y<=110;y++); } } /*键盘去抖处理赏罚函数*/ unsigned char ChKey(bit Key) { if(Key==0){ Delay(100); if(Key==0) return(1); } } /*按时刻断1 处理赏罚(时钟)函数*/ void timer0(void) interrupt 1 using 1 { TH0=-(50000/256); TL0=-(50000%256); TR0=1; BUFFER[0]=BUFFER[0]+1; } /*按时刻断2 处理赏罚(LED 驱动和音圈驱动)函数*/ void timer1(void) interrupt 3 using 1 { TH1=Ti/256; TL1=Ti%256; if((ii*6+jj)==Ta) {put1=~put1;put2=~put2;}; //音圈电机驱动输出 if(ff==1){ if(Ms*w[ii-3]==1) P2=0xff; else P2=~ASCIIDOC[v[ii]*6+jj]; //正向表现 } else { if(Ms*w[10-ii]==1) P2=0xff; else P2=~ASCIIDOC[v[13-ii]*6+5-jj]; //反向表现 } jj++; if(jj>5) {ii++; jj=0;} if(ii>13) {ii=0;ff=!ff;} Ti=-Tr[ii*6+jj]; //读表现间断表 } /*主措施*/ void main(void) { //变量初始化 Ms=0; ff=0; Ta=46; //正反显同等性调解, 取值范畴在42~50 之间, 按照现实确定 put1=0;put2=1; //间断初始化 TMOD=0x11; TH0=-5000/256; TL0=-5000%256; TR0=1;ET0=1; TH1=-2000/256; TL1=-2000%256; TR1=1;ET1=1; //十四个字符中前三个和后三个不显(不消) v[0]=10; v[1]=10; v[2]=10; v[11]=10; v[12]=10; v[13]=10; /*摇晃棒初始启动*/ do { mm++; Delay(120+mm); put1=~put1; put2=~put2; }while(mm<60); Delay(20); /*启动表现*/ ii=0;jj=0; EA=1; /*正式运行*/ for(;;){ v[3]=36;v[4]=44;v[5]=51;v[6]=42;v[7]=54;v[8]=52;v[9]=44;v[10]=11; //表现接待 Delay(6000); v[3]=10;v[4]=10;v[5]=10;v[6]=10;v[7]=10;v[8]=10;v[9]=10;v[10]=10; //封锁表现 Delay(600); v[3]=0;v[4]=0;v[5]=13;v[6]=0;v[7]=0;v[8]=13;v[9]=0;v[10]=0; //表现时钟初始状 态 /*进入时钟状态*/ while(1){ //时钟处理赏罚 if (BUFFER[0]>21){ //进位到秒 BUFFER[0]=0; BUFFER[1]=BUFFER[1]+1; Ms=!Ms; if (BUFFER[1]==60){ //进位到分 BUFFER[1]=0;BUFFER[2]=BUFFER[2]+1; if (BUFFER[2]==60){ BUFFER[2]=0;BUFFER[3]=BUFFER[3]+1; //进位到时 if (BUFFER[3]==24) BUFFER[3]=0; } } } //将表现内容送表现缓冲区 v[9]=BUFFER[1]/10; v[10]=BUFFER[1]-v[9]*10; v[6]=BUFFER[2]/10; v[7]=BUFFER[2]-v[6]*10; v[3]=BUFFER[3]/10; v[4]=BUFFER[3]-v[3]*10; //键盘处理赏罚 if(ChKey(set0)==1){ //模式键 Ms=1; //秒让开 if(TZ<2) TZ++; else TZ=0; //三种状态轮回转换 switch(TZ){ case 0:w[0]=0;w[1]=0;w[2]=0;w[3]=0;w[4]=0;w[5]=0;w[6]=0;w[7]=0;break; case 1:w[0]=0;w[1]=0;w[2]=0;w[3]=1;w[4]=1;w[5]=0;w[6]=0;w[7]=0;break; case 2:w[0]=1;w[1]=1;w[2]=0;w[3]=0;w[4]=0;w[5]=0;w[6]=0;w[7]=0;break; } Ms=0; //秒闪关 }; Delay(80); if(ChKey(set1)==1){ if(BUFFER[TZ+1] BUFFER[TZ+1]=0;Delay(300);}; //键盘"+" if(ChKey(set2)==1){ if(BUFFER[TZ+1]>0) BUFFER[TZ+1]--; else BUFFER[TZ+1]=maxnum[TZ-1];Delay(300);}; //键盘"-" Delay(80); } } }
四.调试要领
虽说是个机电一体的制作,但调试进程并不伟大。 1. 机器部门的调解首要是两只拉簧, 要只管担保双方受力同等,让摇棒静态时保持在竖直状态。 (责任编辑:admin) |





































