LED摇摇棒很好地利用了人眼的视觉暂留特性。摇摇棒配合手的左右摇晃就可呈现一幅完整的画面,可以显示字符、图片等。
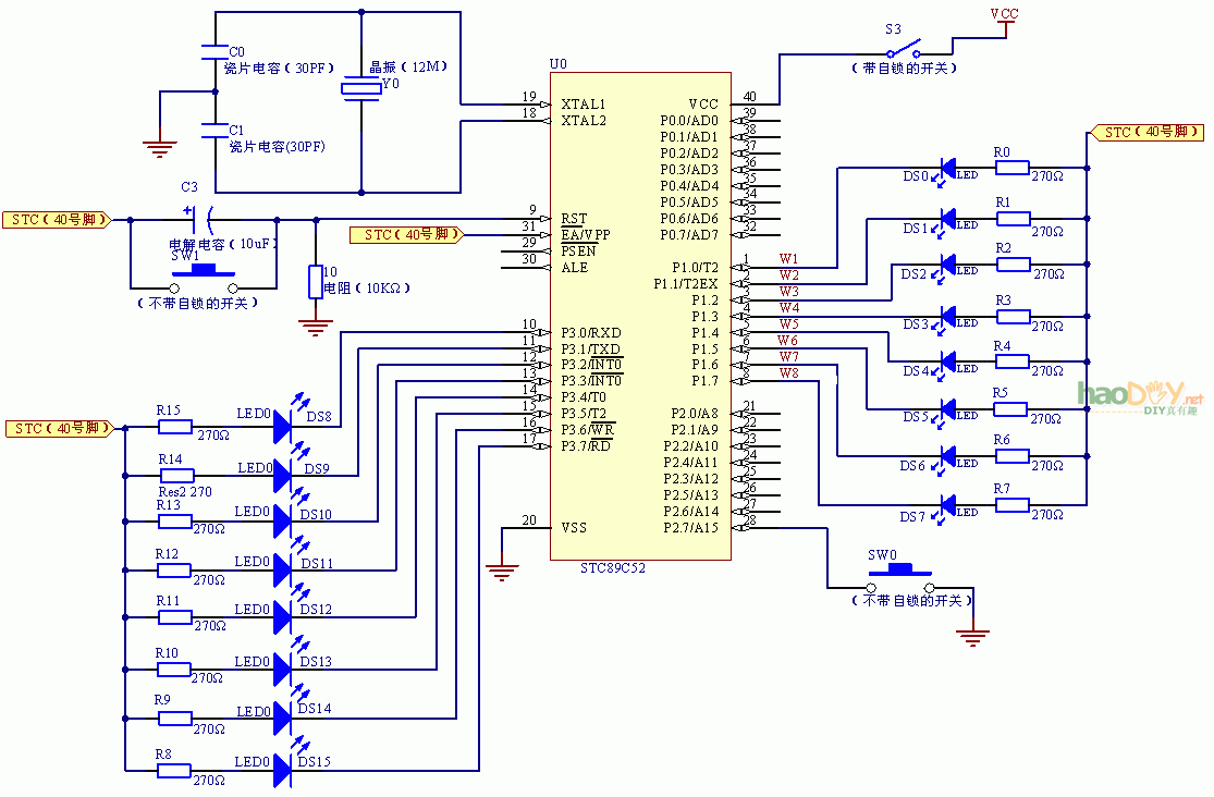
led摇摇棒电路原理图
![]() ![]() ![]()
/*******************************************
* 摇摇棒显示程序(10个切换) ** 设计者:贺显云 * * 设计时间:2010年10月15日 * * QQ:513696765 * *******************************************/ #include<reg52.h> #define unchar unsigned char (责任编辑:admin) |





















