欢迎光临haoDIY - DIY制作从这里开始!

diy音响功放音箱胆机电子单片机电脑科技小发明机器人制作_haoDIY

haodiy微信
当前位置: 主页 > 软件下载 > 电路图资料 >

hood 1969功放制作资料共享!PCB共享!

软件类型:国产软件 授权方式:共享软件 界面语言:简体中文 软件大小:0.03 MB 文件类型:.rar 运行环境:Win2003,WinXP,Win2000,Win9X 软件等级:★★★☆☆ 发布时间:2012-10-03 官方网址:http:// 演示网址:http:// 下载次数:
软件介绍
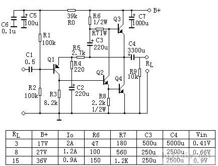
最近有人和我要1969的PCB文件,看来大家对1969的情忠还没有改变,那我就把我的1969全部贡献给大家。这个版本现在是在淘宝销售的哦,不过不是我!虽然1969不是复杂的东西,但我还是希望在没有征得原作者同意的情况下,请勿用于商业用途!仅供大家交流学习之用!

 

1.jpg



 

2.jpg


 

3.jpg


4.jpg

protel99文件格式
 

镀金板经典hood 1969发烧级hifi小甲纯甲类功放板diy散件套件成品
镀金板经典hood 1969发烧级hifi小甲纯甲类功放板diy散件套件成品
¥28.50

下载地址
下载说明

因为下载很占服务器资源,网站运营成本很高,所以软件全部限制为会员下载,请大家理解和支持

☉推荐使用第三方专业下载工具下载本站软件,使用 WinRAR v3.10 以上版本解压本站软件。
☉如果这个软件总是不能下载的请点击报告错误,谢谢合作!!
☉下载本站资源,如果服务器暂不能下载请过一段时间重试!
☉如果遇到什么问题,请到本站论坛去咨寻,我们将在那里提供更多 、更好的资源!
☉本站提供的一些商业软件是供学习研究之用,如用于商业用途,请购买正版。

顶一下
(0)
0%
踩一下
(0)
0%
------分隔线----------------------------
发表评论
请自觉遵守互联网相关的政策法规,严禁发布色情、暴力、反动的言论。
评价:
用户名: 验证码: 点击我更换图片
栏目列表