|
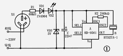
家庭用电(指220V交换电),安详第一!这里先容的泄电报警插座,在洗衣机、电电扇、电饭煲、电熨斗等家用电器的金属外壳带电时,会自动发作声、光两种报警信号,提示用户实时断电举办查验。对那些埋设电器接地线未便的楼房住民来说,行使该插座无疑是再吻合不外了。 一、事变道理 家电泄电报警插座的电路如图1所示。限流电阻器R1和晶体二极管VD1、稳压二极管VD3、电容器C等构成了浅显半波整流稳压滤波电路,向报警电路提供不变的5V直流电压;模仿声集成电路A和其外接振荡电阻器R2、压电陶瓷片B构成了模仿警笛声产生器。
平常,因为R1的左端与三孔插座XS中悬空的大地接线端相接,故报警电路无事变电源,发光二极管VD2不发光,B无声。 一旦外壳泄电的家用电器接入三孔插座XS,泄电电流便会通过XS的相线(前方)孔、家用电器的金属外壳、XS的大地线孔、报警电路和电网零线(地线)组成回路。泄电电畅通过R1限流、VD1半波整流后,使VD2点亮;与此同时,泄电电畅通过VD3稳压,在它两头输出5V直流电压,经C滤波后,使A和R2组成的模仿声产生器事变,B即发出警笛声来,提示用户对电器实时断电举办维修。 该泄电报警电路的报警电流小于0.4mA,远低于国度划定的泄电掩护器额定举措电流小于30mA的要求。 二、元器件选择 A选用KD-9561型四声模仿声报警专用集成电路。该集成电路回收软封装情势,芯片尺寸为32.5mm×10mm。个中SEL1和SEL2是两个选声端,按图1接法发生模仿警笛声电信号;如将SEL1改接在VSS端,则发生模仿救护车电笛声信号;如将SEL1悬空、SEL2接VDD端,则发生模仿机枪声信号;如将SEL1、SEL2都悬空,则发生模仿消防车电笛声信号。建造时,读者也可按照大师兴趣选择其它3种声音中的一种。 VD1选用1N4004或2CP18型硅整流二极管;VD2宜选用赤色高亮度发光二极管;VD3用0.5W、5V硅稳压二极管。 C用CD11-10V型电解电容器。R1、R2均用RTX型碳膜电阻器,耗散功率别离取1/2W和1/8W。B用带浅显助声腔的HTD27A-1或FT-27型压电陶瓷片。XS为市售平凡交换电三孔插座。 三、建造与行使
图2所示为该泄电报警插座的印制电路板接线图。印制电路板用刀刻法建造,现实尺寸约为34mm×34mm。除压电陶瓷片B和三孔插座XS外,别的电子元器件均插焊在廉价印板上。集成电路芯片用3根硬导线垂直插焊在电路板上。焊接时留意:电烙铁外壳必然要精采接地,以免交换感到电压击穿A内部CMOS集成电路! 泄电报警插座的组装有两种方案可供选择:一种要领是将报警电路板装入单独廉价的尺寸约为40mm×40mm×20mm的绝缘小盒内,盒面板别离为压电陶瓷片B、发光二极管VD2开出释音孔和发光孔,盒内电路板通过两根外引塑皮导线与三孔插座相接。其特点是插座和报警盒自成一体,组装和行使都较量利便、机动,不敷处是外面性较差。另一种要领是将三孔插座XS选择成市售多用长方形插座,拆除插座内三孔插销以外的别的两孔插销,开发出空间,供牢靠安装报警电路用。这时面板上已经无用的插头眼孔稍经加工,就奇妙地改革成了压电陶瓷片B的释音孔和发光二极管VD2的发光孔。其特点是报警电路与插座融为一体,外面与平凡插座别无两样,行使起来越发利便。 此泄电报警插座只要元器件质量担保,焊接无误,不消调试就能正常事变。为了检讨报警电路机能是否精采,可将220V交换电(留意安详!)引入三孔插座的中孔(大地线孔)和零线(地线)孔。假如报警电路发生声光信号,声名线路正常;假如无声也无光,声名报警线路有妨碍,应重点搜查元器件质量是否有担保,焊接是否有过错,直到有声、光信号为止。 行使时,按通例要领将报警插座接入220V市电电路。应出格留意电源线的相线(前方)、零线(地线)位置不行接反,不然起不到泄电告警浸染。其它,行使平凡二芯插头的家用电器,应换用与泄电报警插座相配的三爪插头,并将家用电器的金属外壳通过塑皮导线接插头内的大地线(非220V市电零线)端即成。 (责任编辑:admin) |














