|
带着小孩出去嬉戏时,生怕你最提心的是小孩走失。本装置可有用地办理这一题目。该装置由发射器和吸取器构成,将发射器放入小孩的口袋里,吸取器由大人拿着,当小孩分开大人的间隔超3m(米)时,吸取器便发出报警声,提示大人留意,防备小孩走失。
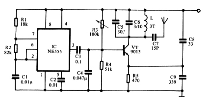
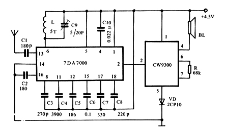
图217-1为发射器电路图。它由IC时基集成电路NE555、R1、R2、C1构成。1KHz的低泼魅振荡器去调制由三极管VT及外围元件构成的高泼魅振荡器,被调制高频信号从C7至机内微型天线向空间发射出去。C8用以加宽频带和防备人体感到对频率的影响,现实行使证明,该元件必不行少。图217-2为吸取器电路图。当吸取器收到发射器发来的信号时,集成电路TDA7000的②脚输出低电平,音乐集成电路CW9300无高电平触发信号不事变,扬声器BL无声。当小孩分开大人的间隔高出3m时,吸取器收不到发射器发出的信号,TDA7000的②脚输出变为高电平,CW9300被触发事变,从BL发出报警声,提示大人小孩已走远。
建造时,发射器中的电感L用Φ1mm漆包线在Φ7.5mm的铅笔上绕3圈后取下。吸取器中电感L用Φ0.51mm的漆包线在Φ5mm的钻头上绕5匝后取下即成。 (责任编辑:admin) |















