最好的电子音响科技diy制作网站

haoDIY_音响电子电脑科技DIY小制作发明

当前位置: 主页 > 音响DIY > 胆机DIY > 后级DIY >

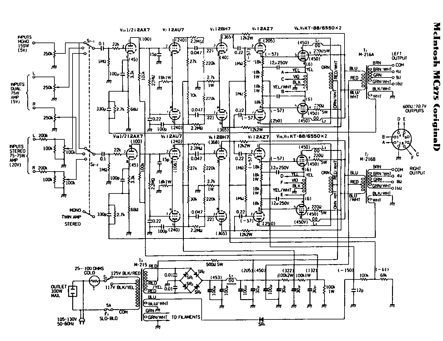
麦景图McIntosh. mc275

时间:2012-08-29 18:02来源:未知 作者:admin 点击:
MC275 后级在国外 HIFI 发烧友中的评论,让大家看到国外的文章,有更好的参考价值。 Summary: Simply a great amp, very musical...which means it makes you want to listen to music...a tube amp with OOOMPH !! most hi end ss amps sound overly bright
MC275后级在国外HIFI发烧友中的评论,让大家看到国外的文章,有更好的参考价值。


Summary:

Simply a great amp, very musical...which means it makes you want to listen to music...a tube amp with OOOMPH !! most hi end ss amps sound overly bright after listening to this except mac ss amps...I have 252 and have heard the 501s in my home...all share that great Mac character...open lush and musical...this one is a bargain...even the folks at Mac say that....this is the Dino Ferrari of amps...not the fastest not the top of the line etc...but
so sweet...well done MAC !!

(以下蓝字部分为我的翻译)概括:MC275完全是一台伟大的功率放大器,具有强大的音乐性。MC275让你变得渴望聆听音乐!是一台令我发出“哇塞!!!”的富有魅力声音的电子管功放。在听了 MC275功放后,绝大多数HI END晶体管功放都会听上去明亮过头!当然,除了聆听麦景图的晶体管HIEND功放。我有一台麦景图MC252晶体管后级功放,而且,我在我家聆听过麦景图MC501单声道晶体管后级功放。都具有高频不过于明亮的优秀的麦景图独有的气质。音乐性丰富多彩。而MC275,是其中最超值的。甚至,连麦景图的员工都将MC275称为后级放大器中的法拉利DINO款跑车。与DINO跑车一样,不是法拉利公司里最快的,也不是最高端的,但是,性能是如此出色!


麦景图McIntosh. mc275

麦景图McIntosh. mc275

麦景图McIntosh. mc275

麦景图McIntosh. mc275

麦景图McIntosh. mc275

麦景图McIntosh. mc275

麦景图McIntosh. mc275

麦景图McIntosh. mc275 (责任编辑:admin)
织梦二维码生成器
顶一下
(2)
66.7%
踩一下
(1)
33.3%
------分隔线----------------------------
发表评论
请自觉遵守互联网相关的政策法规,严禁发布色情、暴力、反动的言论。
评价:
表情:
用户名: 验证码:点击我更换图片
栏目列表
推荐内容