|
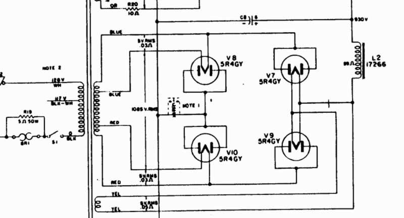
上期筆者介紹紹過ALTEC「一門三傑」之兩小兄弟1568A和1569A,因它們兩者間的線路結構是相同,可摩機的情況和改造手法可算是大同小異,改機目的是將粗豪有餘而幼細不足的劇院機搖身一變成為入得廳堂娓娓動聽的Hi Fi機。 好戲在後頭,就是這「一門三傑」中的「大哥大」1570B圖(1),雖然有部份發燒友會因它龐大的體型而嚇得退避;但1570B不乏支持的擁躉,它有「力拔山河,氣蓋世」之驚人力量,一對直熱三極管811A有效值RMS.輸出是165W,峰值輸出Peak Power可達275W,我所強調的是1570B蘊藏著無窮能量蓄勢待發之餘;仍兼顧文化修養氣質與細膩如塵的內涵,它正如「千里馬要遇上百樂」才能見真威力。每對1570B尋覓找那「識貨」之人;又每當找著真正的「百樂」時,往往有相逢恨晚,愛不惜手之感,故在二手市場上是不易找1570B的蹤影的。如何驅策這千里馬(大怪獸)引發它展出真本領,正是本文的重點。 圖(1) 揭露Peerless的技術: 上期曾用示波器測試過1568A,發現頻率響應十分超卓。1570B當然少不了展示成績表,就是測試報告。在示波器量度1KHz和10KHz的正弦波度是一樣的。100KHz才有2-3db的滑落(Roll off)的跡象,以方波看1KHz-10KHz相當之恭整,在100KHz的變型是意料中事;也是優越於很多的名牌子機,看圖(2)和圖(2a)。直至100KHz才見變形出現,若以這苛刻的測試來說,現今很多膽機廠家也自愧不如,甚至古董機亦未見得有甚麼牌子能與PEERLESS看齊圖(3)。 筆者在過往解剖火牛方面經驗,包括英國QUAD, DRAKE, LEAK和美國多個牌子,單以在輸出牛技術的突破與革新繞線技術來看,美國是優勝的。暫且不討論個別人士對音色的喜好問題,就以推挽輸出牛方面看,美國輸出牛初級和次級通常是以五層至七層疊繞,有些更多至九層;但英國牛大多以三層疊繞,即次級繞組(輸出級)位置是介乎兩組初級線圈中間。輸出聲頻變壓器多層疊繞方式在電器特性方面是愈多疊數愈能在闊頻率響應和瞬變能力有利;卻增加了不少人手工序和時間消耗,看圖(4)。 圖(2) 圖(2a) 圖(3) 圖(4) 三層繞法: 只是將推挽線圈的初級P.1 和P.2串聯成中間「抽頭CT.」,次級輸出線圈就用較粗的漆皮銅線就罷了。初級線圈因內層與外層關係,銅線的長度是有相當的差別的,於是出現了推挽P.1 /130ohm和P.2/180ohm的直流不平衡現象(以QUAD II為例),這也是導致兩支KT-66的直流偏差,亦和偏壓不平衡相近。 七層疊繞法: 一般是將P.1和P.2分別拆開共成為四層初級線圈,同時並將三層次級輸出線圈分別安置於四層P.1和P.2的分拆之間,然後將它全部作並聯銲接;又將初級的四組線圈串聯起,就構成初級與次級七層交疊。有利之處除了在因增加了初、次級線圈的「直接互感」和「電容效應」,對微細訊號的音頻損失降至最低,另方面P.1和P.2的線圈直流不平衡現象也降至低於5%以下,PEERLESS輸出牛更已達到1%的直流誤差標準。 從以上多點筆者闡釋過ALTEC的輸出牛有極佳的分析表現,變壓器(牛)廠已玩到盡;但很多時擴音機往往未必會玩盡每隻「高班」牛。若我們要將這專業擴音用的膽機用於家庭用途,那麼它當中的設計正是我們討論的問題。 線路分析: 一對811A可以輸出165W/RMS如此驚人之大功率,有賴推動牛和6W6的協助,專業機在要求可靠方面是高於一般的Hi Fi機圖(5),而且用在廣播用途時,每日服役十多二十小時是慣常的;而很多體虛氣弱的Hi Fi機已狂叫腳軟了。 此1570B「大怪獸」用一對四極功率管6W6接成假三極,以陰極負載交連牛直接交連至811A功率管的柵極,亦即等同負載線圈,或算為代替陰極電阻。這做法優點有三: 第(一)線圈的直流內阻是比電阻低。還有的是陰極線圈推動比屏極線圈推動更低失真。 第(二)可得較高的推動電壓擺幅,即是線圈通過變動的交流電(聲頻)因高電感的線圈在磁鐵芯產生back E.M.F.反電動勢,感應出比原本的推動電壓更高的電壓。若舉例光管的扼流圈原理,就較易於明白了。 第(三)大幅度減低因電容交連的直流飄移現象,因功率管得到較穩定的工作條件,就可大大提高工作效率,看線路圖---圖(6)。 圖(5) 圖(6) 圖(7) ![]() 811A是直熱三極管,雖然是較「冷門」;但,就是因「冷門」的緣故未能廣泛性的使用於民用音響,相比那叫人傷透腦筋的馬蘭士9所用的EL-34來說就價錢便宜和易找得多了,當然是講極品好聲膽!若以價錢比較1960代的美國811A全新NOS.四支配對,約售兩仟多-圖(7);而六零年代的EL-34 Mullard、Telefunken?就是天價了。 這「一門三傑大哥」與1568A和1569A設計上不同而優勝之處有扼流圈choke;而choke與整流膽5R4之間是沒有濾波電容,看圖(8),這是好聲而定的電源處理方式,早前筆者已於11月號《膽機世界》GEC AF-100文中曾詳述,請翻閱;而本文不再重覆了。我們要留意的是這機的直流高壓是930V,ALTEC廠為顧及使用者安全而設計有頂網連動電源開關,若移去頂網這機是不能啟動電源的圖(9),在必須的情況下可以用小膠粒「塞」著這開關制;但切記小心為上。 圖(8) 圖(9) 圖(10) 這高壓電源在choke後用一個油罐電容8u /1000V作兩支811A的電源濾波;而四支5R4整流是全為供電給811A使用的。這麼低容量的濾波,常令大水塘(電容)主義派的「大師」抓破頭皮啊! 另外,圖(10) 金屬殼的整流子負責供應電源給訊號放大級和推動級使用,包括ECC83、6SN7、6W6,因獨立供電,亦減少因功率管消耗電流時所產生的電源不穩定現象。還有的是留意在機底內部一隻燈絲牛,是供應其中一隻811A的燈絲用,在線路圖是沒有另加這燈絲牛的,相信是設計線路圖之後,廠家的改良版本,於是就可將兩支811A的燈絲獨立供電,取得更穩定的工作狀態。 負回輸 ALTEC這「一門三傑」的輸出牛同都是採用獨立負回輸線圈繞組,也是ALTEC的優質設計之一。大多數膽後級常使用「次級」的喇叭線16 ohm線圈作負回輸,這樣做法對聲音方面就不及於獨立回輸線圈了;因輸出牛多了獨立回輸線圈作回輸,就可減少因負載喇叭時,喇叭內部的電容與電感和喇叭音圈在震動時所產生的back E.M.F.干擾。這是電聲學上的矛盾間題,一直以來絕大多數廠家都不正視這問題,包括喇叭反電動勢所帶來失真和干擾,與及聲音的瞬變反應。但Peerless就「為你做足100分了」。看線路圖(6)的回輸電阻是82K 1/2W AB電阻,從輸出牛回輸線圈接到12AX7 第一級的陰極電阻1K之上,因原廠用的82K電阻是AB碳阻,有可能出現較大的誤差而影響兩聲道的平衡度,只要若量度在5%以內就可接受,而無須更換了。 改輸入接線位: 很多時專業擴音機常使用輸入牛作訊號放大,因為「牛」是用銅線圈藉著鐵芯磁場感應至次級線圈所產生的「換能」效應。線圈是低直流內阻;不大要求訊號線的長度和屏蔽效果。因在這情況,多是不使用屏蔽網,而是用一般的兩條單支線就可作訊號線,甚至連插頭也不必使用是很方便的。又因家庭Hi Fi與劇院有不同的要求;所以要改裝成為適合家廠使用。第(一)這1570B本身的增益放大已很足夠,可抽離輸入放大牛。第(二)改輸入接線座轉為RCA式的插座 圖(11),目的是易於使用訊號線作前、後級連接,而且以玩訊號線。筆者嘗試比較多款RCA插座,明顯是古董錫水的那最靚聲,因這插座是銲底板式的,所以要屈直這插座的負極當作裝螺絲支架圖(12),又因在可以的情況下保留這機的所有原貌,機箱無須鑽孔就最好了!在這古董的RCA插座下鑽兩小孔是不妨的,就能安裝固而雅觀,再用一條好聲極品的專業純銅訊號線引通RCA輸入座和輸入Volume控制之間。這條線是兩芯一網,是可作半平衡式銲接法使用,會更好聲,將輸入端屏蔽網和黑線銲在一起作負線;白色的當然是正線,輸出端即Volume處的屏蔽剪去不用圖(13)。 圖(11) 圖(12) 圖(13) 廢除低頻濾波部份: 這低頻濾波電路是用陶瓷質電容作兩級交連,並將50Hz以下的低頻濾去,和阻隔前級不穩定時所產生直流之用,若信得過自己的前級;就可以抽離這Low Filter電路,低頻得以無條件釋放,音樂重拾韻味,溫暖在人間。還要多講一句是,這類陶瓷質電容用作交連的用途時是「衰聲」的,聲音薄而削且乾澀和冷膜;但用於唱盤放大RIAA的回輸時就「好聲」且甜潤可人。同一種物料在不同的位置使用,效果就截然不同,這就是我們所學的「音響藝術」!! 因這「一門三傑」的輸入低頻濾波是相同;改法亦是和上期的1568A、1569 A相同,本文不必重覆了,看圖(14) 圖(14)
(责任编辑:admin) |














(责任编辑:admin)





















