|
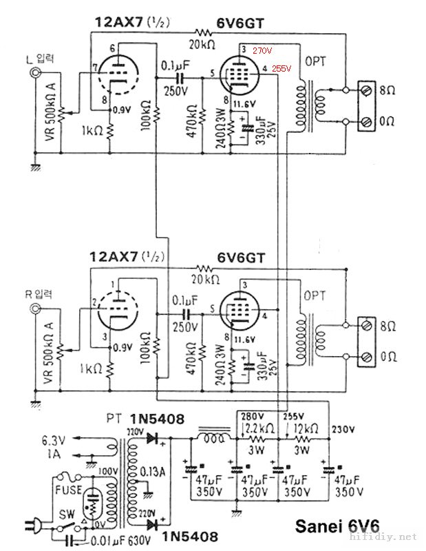
最近在备料想再做部6V6的单端。 机箱是在坛里淘的半成品,管子孔已开两大两小,不想再改了。故6V6的推动管只能在九脚管里选。 请高手指点用什么管推 6V6 ? 有什么电路可借鉴。 另因我的输出牛没有超线性接法的抽头,所以考虑6V6还是采用标准接法。 谢谢! ![]() ![]() 在等电牛。 今天把原来买来时机箱带的管子衬板重新做了一下。原来的衬板上的开孔和机箱上的管子开孔有较大偏差。 上两张摆位的图片。 ![]() ![]() ![]() 初步定下来选用12AX7推6V6GT的线路 根据线路图画了个搭棚布线图,灯丝部分没画,电源部分从整流输出开始画,整流之前没画好。 再贴一个机箱内部模拟搭棚的图 ![]() 请高手指点 搭棚布线图
搭棚布线图
图纸上的电源部分是220V,经 1N5408 石整流和滤波后进扼流之前的电压可以到近300V左右. 准备改原线路的石整流为胆整流,即去掉两个 1N5408 , 改用 5Z4P ![]() 修改整流部分
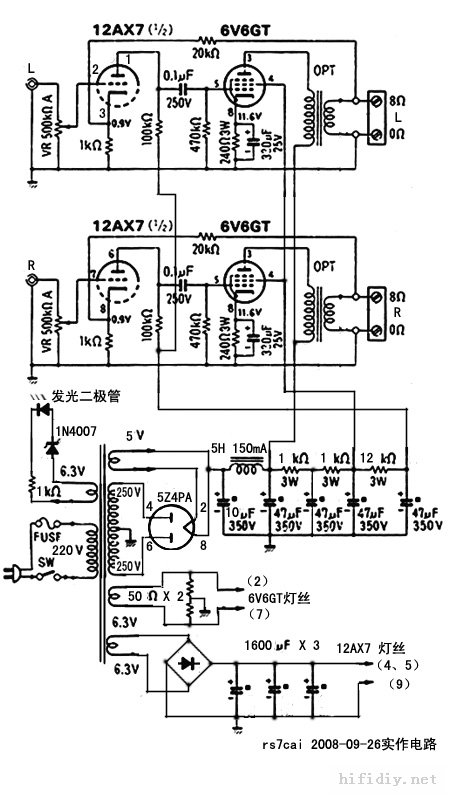
昨天终于抽空把 12AX7 推 6P6P 单端做好了. ![]() 声音还不错(偶的木耳听来如此 )基本按图纸制作,重点在电源部分作了些修改. 12AX7-6V6GT实作电路
|














)

























