|

以前,我从未做过大八脚管的前级,仅玩过E88CC,EF86,12AX7,12AU7一类小九脚的。自上了胆艺轩,看了不少胆友的制做,不免心动。于是就开始了6N8P前级的请教和试做准备。这次试做的基本想法是:
1 试一下6N8P这只久负盛名的大八脚管用于前级的效果。
2 充分利用手头的元器件,不做过多投入。
3 以前做过的前级均用单电源变压器,这次拟试一下双电源变压器供电方式。
电路选择
杂志和胆艺轩上有不少6N8P前级的电路和制作,评论文章。归纳起来有:SRPP,单级共阴,两级共阴,SRPP+阴极输出,共阴+阴极输出,差动+阴极输出……。因以前没做过6N8P前级,听也只听过大极典的JP-1(线路放大部分用了1/2的6SN7),实在是难以决定。上论坛请教了各位胆友,却也众说纷纭……
琢磨了半天,决定干脆来个大撒把,摸着石头过河,走到哪儿算哪儿吧------从最基本的开练,一步步试下去。
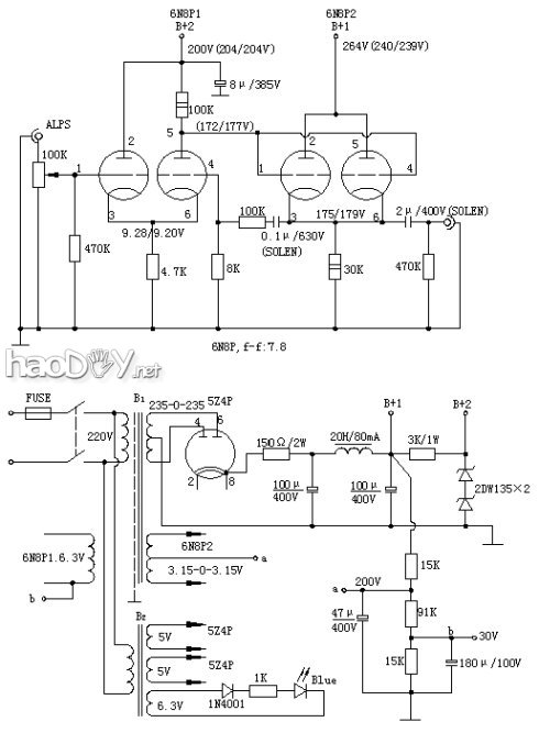
对电源部分,还是青睐胆整流。因手头有一对一致性很好的仪器用电源变压器,一对扼流圈,加上许多胆友介绍的在双电源供电方面的成功经验。决定采用双电源变压器,CLC滤波,不用或仅用简单稳压的电源方式。我不太喜欢6Z4一类的整流管,加之从视觉上考虑,决定用两只5Z4P双整流,可惜那仪用变压器仅有6。3V绕组,又不愿用降压方式,只好订做了一个整流管灯丝专用变压器。放大管也全用交流供灯丝。
底盘及布局
这次的底盘和上回做EL34 PP后级的一样(一批做的)。3mm的工业纯铝板盘面,2mm钢制框架,仿日本铃兰堂结构。
这次布局让我挺为难。虽说只是个前级,但用了3只电源变压器,2个扼流圈,2只整流管,因线路尚不定,放大管孔数只好按最多的打------4个。布置成左右对称吧,灯丝变压器又碍手碍脚。虽从电源部分的流程上讲,应是变压器-整流管-电容-扼流圈-电容-稳压,但我一向认为(可能不正确):扼流圈因漏磁场太强。不宜靠近放大,尤其是前级放大管。再加上电位器,电源开关…。。又怎么摆放?思来想去,弄成了下图这样子。这布局用意是:让扼流圈远离放大部分,灯丝变压器靠边并挨近整流管,电源变压器漏磁相对较小的短边面对放大部分并用滤波电解电容隔离屏蔽。左右声道放大管镜象对称排布且不与电源部分交错。

元器件
主电源变压器拆自旧仪器,每只约100W。做工和一致性很好。扼流圈是"NOS"黑色带边罩那种。灯丝变压器在FU33兄那儿订的,也挺不错。
就手头元件,电阻全用了"大红炮"。
主滤波电解电容一时找不到好的,用了日本松下。退耦电容备了油浸,CBB和思碧几种。耦合及反馈电容备了WIMA,ERO,SOLEN,纸介几种。除松下和SOLEN外均为拆机件。
B+,灯丝用单芯铜芯线,其余用多芯铜线。信号线准备了几种备校声用。
前级的核心器件之一是电位器,但因不想投资太多,仅买了塑壳ALPS RH2702步进式的。
其它象RCA插座,管座,开关,保险座什么的都选的是以前装机被验证为可靠耐用的品种。
5Z4P手头有曙光铁箍和黑胶木座及南京胶木座的。另有一对TOSHIBA的5AR4,虽说不是直带型号,换着玩也还不错。6N8P有曙光的两种:吸气剂在底部和顶部的。南京6H8C,曙光前几年出的红管座6SN7GT,坛上胆友赠送的前苏联6H8C和GE的6SN7GT(谢谢他们),但心里一直念念不忘的还是Mullard的ECC32和ECC33。
焊机
焊机用搭棚方式,尽可能用元件引脚搭焊,因元件不多,就用玻纤板,铆钉焊片自制了几个接线架。星型接地法,在左右声道放大和电源部分分别设了一小段粗裸铜线做地线母线(值得指出这根铜线宜短粗,过细易因振动导致噪声),再用多芯线星型连接。在第一级阴极电阻处接机壳。信号线均先用了屏蔽线。灯丝全用单芯线紧密绞合。体积较大的元件均做了固定防振处理。
1。 SRPP
参照胆艺轩首页上的LDH线路和发烧音响上一款ECC32前级,但电位器按常规接法,输出耦合电容用的是2μ的。6N8P的阴极电阻用过680Ω的,也试过1K的。
2。共阴放大+阴极输出
这款线路是我在胆艺轩上找到的,大伙应较熟。当时看了线路认为它的出发点不错,用一只管子完成共阴放大和阴极输出这两个功能,线路也简洁易做。
3。两级共阴放大
这款线路相当常见,在无线电与电视和高保真音响上均有刊登。,许多胆友都可能实践过。当时想做它的另一个原因是它带有负反馈,前两线路的交流声克服均有较大难度,期望借负反馈降低噪声。
4。差动放大+并联阴极输出

这款线路取自发烧音响上摩机邝的文章,说是美国CARY一套件的线路,我无法查证是否是套件原图,只有按此施工了。我暂时没按摩机邝摩过的元件参数,就按所标原参数。实做线路按图2。这款线路正如邝文所言,由一晶体管差动放大线路改进而成。众所周知:差动放大器属直接耦合放大电路类,它的最主要优势是克服放大器的零点漂移,另外就是对电源的变化和纹波有较强的抑制作用。
开始装机差动级用充气稳压管WY-3P两只串联稳压,但后来遇到两个问题使我改用了晶体稳压二极管:一是充气管产生一定的噪声,表现为一种频率较高的咝咝声。其次就是单个WY-3P稳定电压为104-111V,两只串联工作实测为208-209V,略高于差动极所标屏压200V,而未经稳压的B+约为238-245V(电源变压器所限),在电网电压偏低时易导致稳压管工作失稳。
(责任编辑:admin) |