|
这里介绍的新颖催眠器,能发出双声效果的雨滴声响,有很好的催眠效果。
1.电路原理
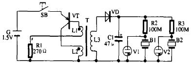
雨滴声电子催眠器的电路如图1所示。电路由:高压发生器、整流器及两个氖泡弛张振荡器组成。
高压发生器由三极管VT、线圈L1-L3等组成,按下开关“SB”后,L1、L2与VT组成的电感反馈型振荡器立即起振,振荡电压经线圈L升压约获得300 V的高压。此高压经二极管VD整流,向电容C1充电,故在电容C1两端可获得高压直流源。氖泡V1、压电陶瓷片B1、电阻R2及V2、B2、R3分别组成两个张弛振荡器,其起振原理:C1的直流高压源经电阻R2、R3分别向压电陶瓷片B1、B2充电(HTD~27 A型陶瓷片约有0.017uF的电容量),当此电压充至氖泡V1(或V2)的启辉电压时(约60~80 V),氖泡放电导通,压电陶瓷片上积累的电荷就被泄放,电压下降,当降至氖泡的启辉电压时,氖泡停止辉光呈关断状态,压电陶瓷片将继续通过电阻R2、R3充电,使电压不断上升……如此周而复始形成振荡。压电陶瓷片在放电过程中,其两端电压有较大的变化,由于压电效应,压电陶瓷发生机械振动,因而就发出类似雨滴声的“喀、喀”响声。

2.元器件选择与制作
VT可采用3AX31B型等锗PNP三极管,β≥50,VD可用1N4007型等硅整流二极管,V1、V2可用NH0-4L型等启辉电压在60~80V左右的氖气泡。
R1~R3均采用RTX-118W型碳膜电阻器,如找不到100 MΩ的高阻电阻器,可以采用若干个电阻串联组成。C1要求采用耐压400 V以上的电解电容器。变压器T需要自制:采用GU18型磁罐绕制,L1绕20匝,L2绕30匝,L3绕500匝,均采用Φ0.1 mm的高强度聚脂漆包线绕制。G用一节大号电池,“SB”为小型常开轻触按键开关,压电陶瓷片可采用HTD-27A型。
本机电路比较简单,不必制作印制电路板,可直接在塑料机盒内用接线架连接安装。为增大音量,应给压电陶瓷片制作一个塑料助声腔,也可在塑料机盒上开一个大小比陶瓷片略小的圆孔,然后将压电陶瓷片用环氧树脂粘贴在圆孔上,利用机盒作助声腔,效果也很好。
3.电路调试
首先调整电阻R,使电容C1上的电压在250-300 V左右,若电压始终调不上去,可能是线圈L3的匝数过少。若C1两端根本无电压,则说明高压发生器没有起振,可能是线圈L1与L2的同名端接错,只要将L1(或L2)两线头对调一下即可解决。电阻L2(或L3)的阻值、压电陶瓷片B1(或B2)的电容值将决定振荡频率的高低,若压电陶瓷片的电容值过小,会使雨滴声频率过高影响催眠效果,此时只要将电阻R2(或R3)的阻值取大即可解决。
4.使用
临睡前只要按一下开关“SB”,电容C1即被充满高压。两个张弛振荡器即开始起振,由于电路元件的离散性,两个振荡器的振荡频率不可能完全一致,故能产生双声雨滴声响。在刚按下开关“SB”时,雨滴声频率会由低变高,说明C1两端电压在升高,约经4~5 s(秒钟),音调不再上升,说明C1两端电压已充到最高值。松开“SB”后,催眠声有点像庙中的木鱼声,以后随着C1两端电压下降,催眠声音调也随之下降,像雨滴声响。到后来,就像屋檐下落的二滴水,掉在水缸中的声音,后一滴水追着前一滴水声,这是两个振荡器频率差异的缘故。到大约一秒一滴的时候,C1两端电压小于压电陶瓷片的起辉电压,电路停振,压电陶瓷片就不再发声。电路也不再消耗电能。若此时还没有睡着,可以再按一下开关“SB”。由于氖泡张弛振荡器工作时耗电极省,故每按一下SB,电路可连续工作40~50min(分钟)。若需要再延长工作时间,可以加大电容C1的容量。若电容C1的漏电流较大,将会大幅度减少每次按键后电路的工作时间,所以在选择C1时必须注意其漏电流的大小。
(责任编辑:admin) |