|
这是中考结束后的第一个作品 ISD1820做的小录音机 用到的元件 这是主角,ISD1820 制作过程省略 …………………………………………………… …………………………………………………… 完工!
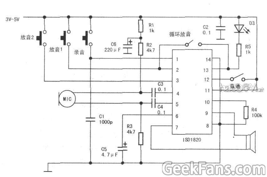
背面,跳线多了点 电路如下 然后是视频,看到最后又有彩蛋哦 ===================================================================================== PS:这个暑假过后就要上高中了,到时候要住校,又会很少DIY了
(责任编辑:admin) |
























