最好的电子音响科技diy制作网站

haoDIY_音响电子电脑科技DIY小制作发明

业余方法DIY电子管FM收音机

时间:2012-09-12 10:11来源:未知 作者:admin 点击:
很多地方AM广播已经被FM广播代替,有些城市甚至已经取消了AM广播。FM广播电台多、音质好、噪声小,是聆听广播的优质声源。有许多朋友喜欢电子管收音机的音质,电子管收音机的确有晶体管和IC收音机无法取代的魅力。现在的电子管FM收音机售价动辄数千银子,很多
很多地方AM广播已经被FM广播代替,有些城市甚至已经取消了AM广播。FM广播电台多、音质好、噪声小,是聆听广播的优质声源。有许多朋友喜欢电子管收音机的音质,电子管收音机的确有晶体管和IC收音机无法取代的魅力。现在的电子管FM收音机售价动辄数千银子,很多朋友因为囊中羞涩只有望机兴叹,众多收音机爱好者都没有电子管FM收音机,以至于电子管FM收音机都快成为了传说的东西。为了一圆电子管调频收音机之梦,春节改装了一台电子管的FM收音机。整机没有用特殊的元件,全部制作过程都是用业余方式完成的。通过我自己的实践,觉得DIY电子管FM收音机要比想象的容易。所用的工具就是万用表、锉刀和手摇钻。为了能让更多的朋友一起享受自己动手的乐趣,在元宵节贴出来与大家交流切磋共同改进,使爱好电子管收音机的朋友都能享受到FM的广播。喜欢的朋友踊跃捧场,不喜欢的朋友只管丢砖头过来。

业余方法DIY电子管FM收音机

    很多朋友DIY的东西都是赤身露体的,虽然裸体也是一种很美地艺术,但在有老人、小孩和女人的场合还是不太靠谱。考虑到DIY机壳很难作得漂亮,同时为了减少制作的工作量,利用老电子管收音机改装是比较可取的方式。综合各种因素,选用80年代生产的6灯电子管收音机改装比较合适。国产的6灯电子管收音机中红灯711电路最典型,其他牌子和型号基本大同小异。制作电子管FM收音机要选择机箱和底盘都比较大的,电路比较标准的收音机为宜,如海燕D322等是最佳选择。如果机箱和底盘小,虽然也可以改装,但改动地方太多、相对麻烦些。改装的原则是:保留原机原有的功能,尽量不改变原机电路和外观,增加的元件要少。这样成本也很低,本机改装费用:老收音机约80元,根德喇叭约70元,其他元件约50元。总共花费不到200元。
频率范围:
MW 550-1650 KHz
SW 4-18 MHz
FM 88-108 MHz

业余方法DIY电子管FM收音机

业余方法DIY电子管FM收音机

业余方法DIY电子管FM收音机

    红灯711它的底盘还比较大,但输出变压器比较小,机箱也小,声质不太理想。我是用天津出的“红玫瑰”6灯收音机改装的。这台收音机机箱大、用料好,机输出变压器大,电子管座都是瓷的,灵敏度高,音质好。

一、准备

    因为FM广播的音频范围可以达到30~15000Hz,而一般国产6灯电子管收音机喇叭的音频范围是100~7000Hz。为了充分发挥FM的效果,最好能加装一个高音喇叭。玩音响的人有种说法:喇叭的投资要占系统的一半。喇叭对音质的影响是非常大的。我用德国“根德”的一套4X7吋中低音喇叭和2X2吋高音喇叭来替代原来的喇叭。原来的喇叭布虽然美观,但密度太大,不利于高音的播放,所以喇叭布也要换成音箱用的面罩。
业余方法DIY电子管FM收音机

    为了简单,要用波段选择有“拾音”的,改造后的收音机波段开关,用FM波段取代“拾音”。用“拾音”时插入插头即可,不用时要拔除插头。

    因为加了FM波段,所以要重新制作刻度盘。我同时还加上了发光二极管波段指示灯,使机子显得有档次。
业余方法DIY电子管FM收音机

    要安放新增加的元件,还要把装在底版上面的电源滤波电解电容移动到底版下面去。
业余方法DIY电子管FM收音机

二、改装

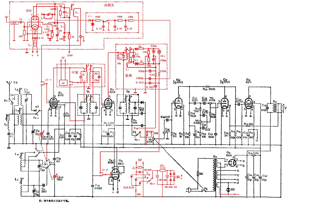
    为了使改装比较容易,我把需要加装的零件分为四个模块。先做好这四个模块,把它们分别装在要改装的收音机上即可。这四个模块是通用的,常见的电子管收音机都能使用。如果这些模块能作成套件供应的话,改装电子管FM收音机将是一件非常容易的事。就是加四个零件,改几条线这么简单。另外还需要更换可变电容,用四连可变电容代替原来的双连可变电容。电路原理如图所示:

红灯711电路图
业余方法DIY电子管FM收音机
改装后的电路图
业余方法DIY电子管FM收音机
部分模块印刷板
业余方法DIY电子管FM收音机
虽然我设计了印刷板,但我实际用的是实验板。

电路原理图中红色的部分是改装后增加或有变动的元件。

下面分别解释一下四个模块的作用:

1、FM高频头。是一个比较标准的电路,完成FM的信号接收和变频,输出10.7M的中频信号。AFC电路也可以不要,有无AFC两者的接收效果差别不是太多。

业余方法DIY电子管FM收音机

业余方法DIY电子管FM收音机

2、AM和FM转换开关和继电器的电源电路。因为AM和FM转换需要比较多的开关,以本机为例,需要9刀3掷的波段开关。9刀3掷的波段开关比较难找,而且体积也不合适,直接用9刀3掷的波段开关比较麻烦。我的方案是:保留原波段开关,通过继电器进行转换。这样设计的优点是:安装方便灵活、接线少、干扰也小。(如果要用9刀3掷的波段开关,这个模块也可以不用。)

业余方法DIY电子管FM收音机

3、FM中周。为了避免AM和FM中放的相互干扰,在中周里装有转换开关(继电器)。把开关放在中周里,作为一个元件改装很方便,干扰较小。因为在原底板上开方孔不容易,所以中放变压器是用导线引出的。

业余方法DIY电子管FM收音机

业余方法DIY电子管FM收音机

4、鉴频器。它是一个标准的FM鉴频电路,有音频和调协指示及AFC三路输出。和中放线圈一样鉴频也是用线引出的。

业余方法DIY电子管FM收音机

    在原收音机中周边合适的位置,钻一些安装中周和鉴频器的孔。
业余方法DIY电子管FM收音机

    用铝型材制作高频头的盒子,高频头的盒子又是四连可变的支架。
业余方法DIY电子管FM收音机

    改造拉线的滑轮。
业余方法DIY电子管FM收音机

    由于像册的限制,详细的制作方法和具体数据等过几天再贴。

三、调试

    调幅收音调整:新加FM的中周后AM中周频率有点变化,可适当地调整。要是没经验,不调AM中周影响也不是很大。因为换了可变电容,所以中、短波要重新统调一下。总的来讲变化都不是太大,所以只要稍微调整一点即可,动作不要过度。

    调频收音调整:安好中周和鉴频器后,用一个有调频的半导体收音机,找到10.7M的滤波器,从滤波器引出10.7M调频信号。利用这个信号把电子管收音机调频中放调整好。调整时可以充分利用收音机的猫眼做指示,同时用万用表检测AFC的电压。调整各FM中周线圈使猫眼输出最大,调整鉴频线圈(L10和L11的磁芯)使AFG输出对地电压为0。当中放调准时猫眼指示会最强,调谐频率调准时AFC的输出电压为0。在不用仪器的情况下,耐心调整也会得到良好地结果。

    安好高频头,一般都能收到广播信号。如果收不到信号,则可以用闭路天线或室外天线。按照一般收音机统调的方法,把声音调到最好,全部工作结束。

四、效果

    改装后外观十分整洁,除了那四个模块,底板上没有增加任何零件。
    
    中、短波收音灵敏度没有什么改变。

    换喇叭以后声音有显著变化,有了“蓬蓬”的根德声,用拾音口播放CD和唱片更加悦耳。

    中、短波收音时猫眼指示效果如旧。调频收音时指示比较灵敏,变化明显。(加天线放大器或使用晶体管高频头时)

    AGF电路效果不明显,也许元件的参数选择不对,或着变容二级管坏了。

    因为电路比较简单,又没有仪器调整,所以调频接收灵敏度较低,可以用鱼骨天线或天线放大器解决灵敏度低的问题。如果用晶体管高频头灵敏度很高,但有点不伦不类。下一步打算制作双灯的电子管高频头提高灵敏度。

    如果有FM立体声解码器,可以从AGF输出口接入。

    朋友门最关心的就是改造后的电子管FM收音机效果,我认为对于效果,仁者见仁,智者见智。是什么效果,朋友你自己亲自动手改装后就知道了。有一点可以肯定的是电子管调频收音机几乎没有干扰,噪声也很小,令调幅广播望尘莫及。希望各位高人多提意见,使得DIY电子管FM收音机不断改进,造福广大广播爱好者。

    最后祝朋友们在猪年快乐万事如意!



(责任编辑:admin)
织梦二维码生成器
顶一下
(9)
90%
踩一下
(1)
10%
------分隔线----------------------------
发表评论
请自觉遵守互联网相关的政策法规,严禁发布色情、暴力、反动的言论。
评价:
表情:
用户名: 验证码:点击我更换图片
栏目列表
推荐内容