最好的电子音响科技diy制作网站

haoDIY_音响电子电脑科技DIY小制作发明

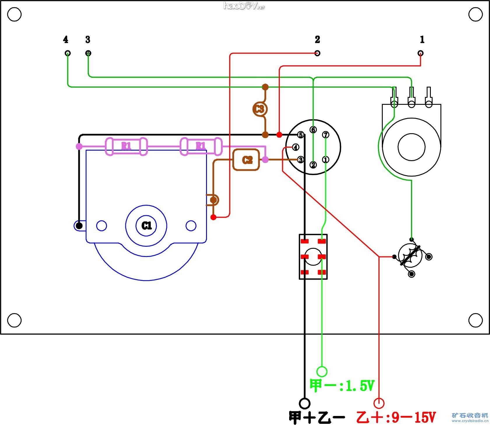
制作2P2电子管单管胆机收音机 附电线路原理图纸(5)

时间:2013-02-24 17:10来源:www.crystalradio.cn 作者:1971sam 点击:
4夹板孔位图.jpg (121.07 KB, 下载次数: 34) 5不干胶面板.jpg (133.22 KB, 下载次数: 41) 7钻好空的夹板.jpg (129.79 KB, 下载次数: 28) 6不干胶.jpg (31.62 KB, 下载次数: 29) 8未涂装小木盒.jpg (64.71 KB, 下载
制作2P2电子管单管胆机收音机 附电线路原理图纸

 

4夹板孔位图.jpg (121.07 KB, 下载次数: 34)

 

制作2P2电子管单管胆机收音机 附电线路原理图纸

 

5不干胶面板.jpg (133.22 KB, 下载次数: 41)

 

制作2P2电子管单管胆机收音机 附电线路原理图纸

 

7钻好空的夹板.jpg (129.79 KB, 下载次数: 28)

 

制作2P2电子管单管胆机收音机 附电线路原理图纸

 

6不干胶.jpg (31.62 KB, 下载次数: 29)

 

制作2P2电子管单管胆机收音机 附电线路原理图纸

 

8未涂装小木盒.jpg (64.71 KB, 下载次数: 29) (责任编辑:admin)

织梦二维码生成器
顶一下
(8)
88.9%
踩一下
(1)
11.1%
------分隔线----------------------------
发表评论
请自觉遵守互联网相关的政策法规,严禁发布色情、暴力、反动的言论。
评价:
表情:
用户名: 验证码:点击我更换图片
栏目列表
推荐内容