|
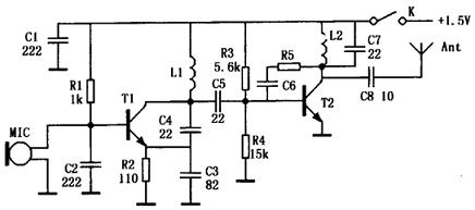
(一)建造目标 卡拉OK是各人喜欢的一种娱乐方法。常见的卡拉OK方法是将发话器插在卡拉OK机上,通过音箱产生声音。本建造先容的是一种浅显无线发话器,操作调频收音机吸取并放大信号,因此异常利便、经济,其它也可用于解说等其他场所。 (二)根基事变道理 调频收音机的调频吸取范畴是88~108MHZ。因此,无线发话器应将声音调制在这个范畴。人的声音又称音频信号,其频率在20~20000Hz范畴内。当用无线电发射出去时,必需将音频信号放在载波上。这一进程称为无线电调制,相对付载波而言,音频信号称调制信号。调制有两种方法,即调幅和调频,所谓调幅即用调制信号去影响(或改变)载波的幅度,从而完成调制信号与载波的叠加形成无线电波。所谓调频,是用调制信号去影响(或改变)载波的频率,从而完成调制信号与载波的叠加,形成无线电波。 本建造是将人的声音颠末发话器的调制发射电路发射出去,而操作调频收音机吸取下来。无线发话器的发射频率范畴要避开内地电台的行使范畴。 (三)技能参数 该无线发话器的发射频率在88~108MHZ,发射间隔不小于80米。回收调频方法发射。 (四)电路选择及元器件参数简直定 电路如图所示。由T1及其外围元件组成调泼魅振荡器,凋节L1线圈的匝数,可使振荡器的振荡频率落在88~108MHZ的范畴内,由T2及其外围元件构成放大电路,它对前级调频信号放大使发射间隔更远已发射状态对振荡器频率的影响得以镌汰。声音经拾音器进来,由天线发射出去。
全部的电容用CCX系列瓷片电容,单元为pF,电阻用1/8W碳膜电阻,电感用φ=0.51mm漆包线在D=4mm圆衬上密绕11匝脱胎而成,晶体管用平凡的9018即可。天线用一根长约60cm的导线即可。 (五)建造要领 印刷板应计划为长条形,目标是便于放入发话器壳内。精确地焊上各元件后,加上电源,总电流约13mA阁下,打开凋频音响,调谐搜刮到该发话器的频率,然后拉开或压紧电感L1,使发话器的频率在恰当的频率上,将发话器与音响拉开恰当的间隔,使音响开始呈现噪声为佳,调理L2使音响吸取清楚;再拉开间隔,一再以上步调直至最佳。其它整机做好后需用外壳屏障,以免外界影响引起发话器跑频。 (责任编辑:admin) |
























