|
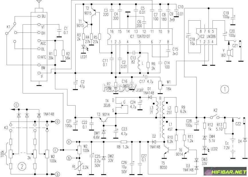
具备高灵便度 线路简略,易于装置调试,由电池供电,任务巩固耗电少,体积小,便于携带等特点。电原理图见图1。
T3、DWI、T4及相干元件组成6V稳压电路,为高频头及ICl提供巩固任务电压。T5、T6、B及相干元件组成升压逆变电路,经过T6、D3、DW3 检测输出电压,以管制T5的振荡强度,到达稳压节能的目标。逆变电路输出33V调谐电压,供高频头调谐选台之用。Rt为温度补救电阻,用于补救开机初始因电容初充电形成33V调谐电压细微无余(极细微,用万用表测量不出)。图2为预选台电路,与K1配合利用。元件抉择与制造:高频头可选用TDQ-3型470MHz全增补高频头,AFC脚留空,R1、R2、Cl选用微型或贴片元件,可间接焊接在高频头屏蔽盒内。调谐电位器W2选用100k多圈电位器,使调谐选台更不便,更巩固。ICl中心电路宜选用贴片元件装置,L用0.4mm漆包线在3mm的圆珠笔心上密绕 23匝而成。升压逆变器B用1Omm小磁环作磁心(可从旧电子镇流器上拆用),用透明胶布包一层作绝缘解决,时钟电路DIY制作,用0.25mm漆包线绕制,数据见图1上标注的数值。L3的作用是为6V稳压电路提供比电源电压略高(约0.8V)的偏置电压,以保障当电池电压降落至6.2V时仍有6V巩固电压输出。T4作恒流管用,DWI提供巩固的偏置电流。因为电源供电电路采取了相应措施,使6V输出电压和33V调谐电压非常巩固,保障了高频头和中放鉴频电路的高巩固性。电源选用6节7号镍氢充电电池或两块锂充电电池,CZ2为外接电源插孔。喇叭选用中50mm内磁式,零件可装置在14. 5cmx8cmx2.2cm的塑料盒内。调试本接纳机惟一需求调试的就是ICl的接纳频率。为了保障其调谐为31.5MHz,可用反常接纳的电视机配合调试:即用导线衔接电视机高顿头IF端与 TDA70IOT的天线输入端(即(11)脚),全频音箱DIY制作,并衔接地线;调整L,led灯光手电DIY制作,使之能收到伴音信号即可。测升压逆变电路任务电流约12mA;零件动静电流应小于 45mA;电源电压在6.2~9V之间变动时,零件电流基本不变。利用成果本接纳机经笔者半年多的利用和测验,成果令人非常满意。接纳灵便度很高(接纳外地调频广播和电视台信号只有几厘米长的天线即可),任务巩固可靠;功耗低,小巧玲珑,令人爱不释手。因为高频头采取了低电压供电模式,使其任务电流大为降落。因此零件任务电流很小,从而利于用电池供电。本接纳机的无余之处是开机初始需通过约3秒钟时间能力进入巩固任务形状。 |

















