最好的电子音响科技diy制作网站

haoDIY_音响电子电脑科技DIY小制作发明

制作用与非门电路制作无线话筒

时间:2013-01-01 19:15来源:网络 作者:网络整理 点击:
免费提供各种电子制作文章、资料、图纸

 

无线发话器在市面上四处可买,但其电路都是回收lc振荡器或石英晶振电路组成的。众所周知,与非门具有放大(指小信号前提)及倒相的浸染,以是只要用三个与非门,首尾相接,便组成一个环形振荡器(可能五个、七个、九个等奇数;级数多则频率低),再配上调频电路,同样也可做成一个无线发话器。
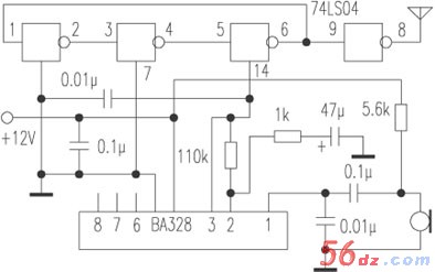
74ls04是一块ttl集成电路,内有六个单端输入的与非门。笔者用个中三个与非门做成一个振荡器。当电源电压为5v时其振荡频率约为90mhz,电源电压低落时频率低落;电源电压升高时频率也升高。虽然其振荡幅度亦会随之改变,但影响不大。这样,笔者行使改变电源电压的步伐来改变频率(即到达调频)。详细做法是用一块音频放大集成电路ba328的输出,作为它的供电电源。
ba328是一块灌音磁头的放大电路,当用于磁带信号作赔偿及平衡时应该在第、脚之间接一个rc串并收集,但这里是用于线性放大,故只需接一只100kω~130kω的电阻即可。ba328输出端(脚)的电压应便是脚(供电)电压的二分之一,若供电电压为12v,则应有6v输出,假如差池,应调解此电阻。其它图中的1kω电阻是调理放大倍数的,减小它则增益进步。
对着驻极体发话器谈话时,输出端(脚)的电压能在5.8v到6.2v之间急速变革,此电压送到74ls04的脚上便能使它发生调频信号,再经第四个与非门放大、断绝而送往天线。
此无线发话器的供电电压也可改成6v或1.5v。其它,它的输出功率较小,读者可增进一级高频放大以改进之。

 

制作用与非门电路制作无线话筒

 

 

(责任编辑:admin)
织梦二维码生成器
顶一下
(0)
0%
踩一下
(0)
0%
------分隔线----------------------------
发表评论
请自觉遵守互联网相关的政策法规,严禁发布色情、暴力、反动的言论。
评价:
表情:
用户名: 验证码:点击我更换图片