最好的电子音响科技diy制作网站

haoDIY_音响电子电脑科技DIY小制作发明

自制自制调频无线话筒

时间:2013-01-01 19:14来源:网络 作者:网络整理 点击:
免费提供各种电子制作文章、资料、图纸

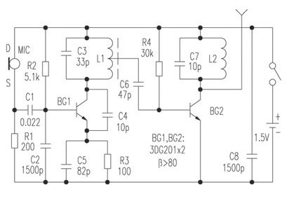
本机发射频率在88~108MHz中,设定有一个最强点,发射间隔大于100m,耗电少,行使一节五号电池,也可用纽扣电池。所有元件可装在3cm×1cm的小电路板上。
图中BG及外围元件构成电容三点式振荡器,由MIC发生的音频电压使BG1的结电容产生变革,在高频环境下,纵然很小的电容变革也会引起很大的频偏。调频信号经BG2放大后送到天线发射。BG1、BG2可用3DG201、3DG6等,β>80。电路中电容回收小瓷片电容,电阻回收1/8W小型电阻,L1用∮0.6mm漆包线在圆珠笔心上绕7圈,在3圈处抽头,脱胎后加一电视中周螺旋磁心(也可用短波收音机本振磁心,但结果稍差),L2用∮0.35mm漆包线在圆珠笔心上绕6圈脱胎而成。天线可用80mm长的软导线,为了利便,也可用多股芯线的短线。若按图中器件装配好印制板,一样平常不必调解。开启FM收音机,调解FM波段及L1磁心至某一点噪声消散即可。

自制自制调频无线话筒

 

(责任编辑:admin)
织梦二维码生成器
顶一下
(0)
0%
踩一下
(1)
100%
------分隔线----------------------------
发表评论
请自觉遵守互联网相关的政策法规,严禁发布色情、暴力、反动的言论。
评价:
表情:
用户名: 验证码:点击我更换图片