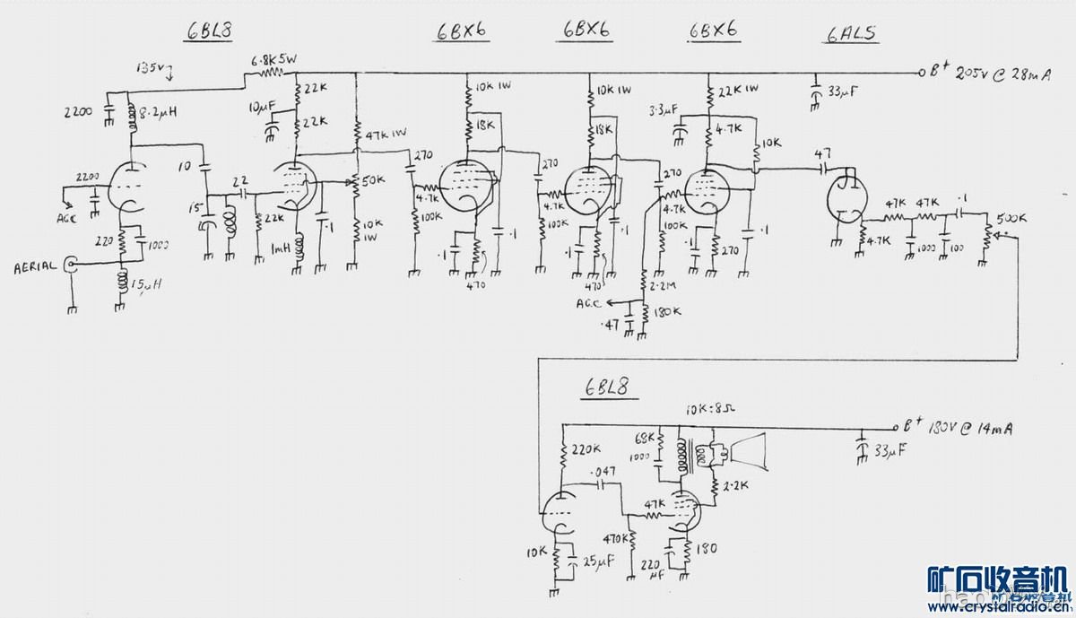
竣工后的图片来了,一开始我是用的多圈电位器,但是一个行程要拧10圈,其实根本就没有必要,普通的B型(线性)电位器就已经很好控制,最终又换回了皮实耐用的118电位器。#p#分页标题#e# ![]() 这张就是用118电位器的图 ![]() 后视图 小开关是4欧、8欧选择,3.5音频插孔。 ![]() 这是底视图。 ![]() 再45度角看看。 ![]() 下面是通电效果图: ![]() ![]() ![]() 还有这个小尾巴差点忘了。 ![]() 一个外挂设备,“神奇的眼睛” ![]() 可千万不要把它简单的看做是一个调谐指示,其实通过它还能看出很多内容,用心去体会慢慢会发现的。 ![]() 时间已经很晚了,最后送一副夜间靓照。 谢谢! ![]() 当然电路图是必须的,这张是原图。相信很多朋友已经有了。 ![]() 这张是我整理的,也是这台机器使用的电路图。 ![]() |





































































