从2000年初,我开始迷上音响,最初接触的音箱是老爸留下的一对二手燕飞士SM15音箱,后来自己通过查看网上评论,购买了惠威M1、PROAC R8S等音箱,其中花去的时间和金钱不算少,但是最终也没有让自己的耳朵得到完全满足,于是不得不走上了DIY音箱的道路。
一次偶然的机会在网络上看到zaph著名书架箱的设计,all-metal project(单元采用西雅士L18/27TBFCG),我被这套单元所吸引,该单元的参数比较优秀,其测量结果也比较理想,这是一款比较成熟的设计,于是便有了用该单元制作音箱的想法。此后本人学习了许多相关的知识,终于在2009年开始实施了这个计划。


单元的选择
高音单元采用的是西雅士H1212-27TBFC/G(图1),H1212是一款1英寸铝镁合金的金属膜高音单元。金属膜具有良好的塑性、韧性、强度,以及对环境和物料的适应性,但是国内对其偏见比较大,通过自身的实践,个人感觉金属膜单元并没有很多人所讲的有严重的金属声,我觉得声音比较宽松和自然。从官方所提供的频响图看(图2),其声音具有很好的指向性。虽然是高音单元,但其冲程却达到了0.5mm。高音单元具有这样大的冲程,会让其在大动态下有比较稳定的表现。1500~20000Hz的频响也有利于分频的设计。H1212已被世界许多著名的高档音箱品牌所采用,设计出相当好声的箱子,这大大地增加了我的信心。
低音单元采用的是西雅士H1224-08 L18RNX/P(图3),H1224的盆架设计比较合理,令气流十分顺畅。其振膜是指数型的,附以相位锥来确保中频的指向性和延伸,实际测试频响也证实了这一点(图4),这样的单元除了低频表现好之外,中频也会有不错的表现。单元的T/S参数设计合理,适合做倒相式音箱。从其12mm冲程来看,其低频输出能力比以往的进口单元有了大幅度提升,而10年前流行的西雅士H416单元的冲程只有6mm。随着电子技术水平的进步,扬声器单元的性能越来越好了。H1224可承载250W的大功率,保证了单元输出动态。经过对单元参数的计算,得出其低频可下潜至惊人的-3dB/45Hz,这可能会让许多8英寸甚至10英寸的扬声器都为之汗颜!另外,H1212与H1224的音色风格是一致的,这样会使音色的衔接相对容易许多。
箱体的设计
箱体是音箱的一个重要组成部分,好的箱体除了外观精美,内在的坚固、密度的均匀更为重要。好的箱体可以最大程度减少箱体内部的驻波,提高声音的纯净度。箱体的板材可以选用质量好的密度板,其内部也需进行一定的加固,如以前很流行的十字加固,近期也开始流行起一种 “日”字加固法,更大程度地坚固了整个箱体。在低音单元处于较剧烈工作状态下,抑制低音单元的共振,从而提升音质。由于笔者比较喜欢“监听”风格的音箱,比较讲究定位准确,因此一般使用高、低音线性排列的方式。什么叫线性排列?简单地说就是让高音单元和低音单元发出的声音同时到达人耳,因此可以看到箱体的设计高音和低音进行了错开。由于H1224的参数更适合导相式音箱,所以把导相孔直接设计在了高音的背面(图5、图6)。有很多朋友音箱设计很不错,但最终因没在箱体上投足资金,吃了大亏。


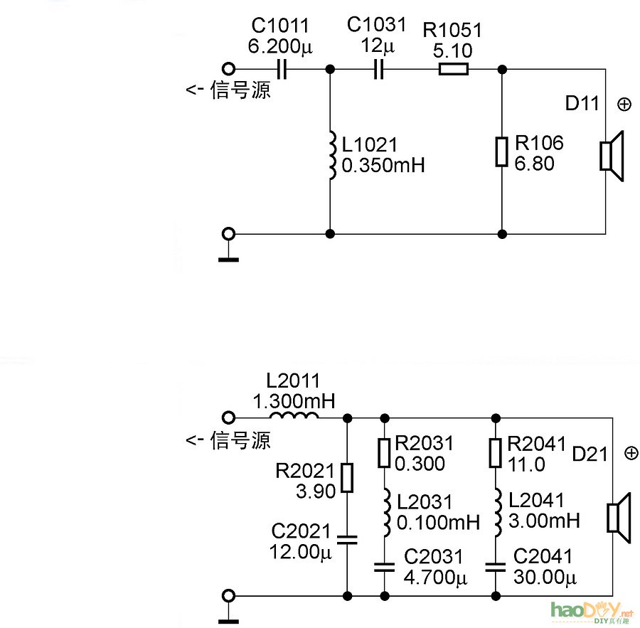
分频器的制作
分频器的重要性不容置疑,可以说它是一个音箱的大脑或灵魂,它直接影响音质的好坏。要科学、合理、严谨地设计好音箱的分频器,才能有效地发挥扬声器单元的特性。合理的分频器可以使各单元扬长避短,淋漓尽致地发挥出各自应有的潜能;可以使各频段的频响变得平滑、声像相位准确,可以使高、中、低音单元播放出来的音乐层次分明、合拍。


这款音箱的分频器是在ZAPH原有的设计上做了一些修改(图7)。
分频器的设计要做到严格、精确,在设计时,最好多备用几种选择方案,在最后的调试与试听时进行比较。分频器的元件的选择也有讲究,天价的发烧元器件虽然性能稳定,参数优异,但昂贵的费用,让我不得不放弃这个念头,最终的元件是根据自身的经验来进行挑选的。电阻最好是多买几个进行配对。元件的安装和布局需根据设计图在电脑中模拟好,电感的安装位置与方向也要符合物理定律。焊接时也要用质量较好的焊锡,让元器件能充分的“零距离接触”。
(责任编辑:admin) |