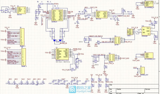
![]() 接着焊MCU stm32f103(还是拆自一元pos机)强烈建议不要用GD32f103.虽然程序,引脚兼容,但是ADC太烂了,效果蛋疼 ![]() 焊接最小系统外围的元件。检查没问题以后下载固件 ![]() 焊屏幕 ![]() 接电屏幕显示正常 ![]() 焊调整电压电流用的大波轮开关 ![]() 完成上侧板除电流放大运放外的其他东西和排针 ![]() 接下来制作下层板 先焊模块 ![]() 背面焊好电容 此处上电,模块应该有1V输出和3.3V输出 ![]() 改5V路输出 拆掉1.5UH电感和一大堆元件 ![]() 换上10uh电感(不换也行,效率低,发热大点)焊上390K欧的RAMP电阻 ![]() 调整背面的取样电阻,使5V路输出5.1V左右 改主输出路 拆掉2.2UH电感和tvs ![]() 换10uh ![]() 拆RAMP电阻和取样电阻 ![]() 装上2M欧的RAMP电阻 ![]() 焊接输出mos管,座子等 上层板装上电流取样运放 两版插接,正常输出 校准用的是分段校准,但是感觉现在分的段还是有点少,段中点偏差不小。后续再改改 图上都是中文,就不打字说明了 长按下键进入校准界面 ![]() ![]() ![]() ![]() ![]() ![]() ![]() ![]() ![]() ![]() ![]() ![]() ![]() 电流有180mA 500mA 1A 2A 3A ![]() usb路电流 500mA 1A 2A ![]() ![]() boom惨案现场 调电源总少不了boom,电光火花黑烟,嘿嘿嘿 失控冒烟的模块 ![]() 简直叫火光四溅(还好没有正对这脸) ![]() 而且还拔错了电源,冒烟瞬间一把拉了烙铁的电源(拉错了),结果发现火花继续,痴呆了10秒才发现拉错电源了,应该是拉隔壁插孔,哎 ![]() pcb都炸没了一部分 ![]() 房间里味道一整天没散 ![]() 还有炸了的单片机和运放 注意,炸了的三样东西,还不是在一次事故里面一起炸的,是分别炸的 ![]() ![]() 还好单片机和运放都是来自一元pos机,重新再杀个机,损失没那么惨重 ![]() 这是自激的时候的输出波形 ![]() ![]() 后期改进: 首先是大家也看到了,我现在用的电容很烂,甚至那几个电解连耐压都不够 一个字,换。已经剁手了一些钽电容,还有一堆mlcc没上镜 ![]() 计划: 输入用一颗50V10uf黄豆 4-5颗50V15uf mlcc X7R 主输出 一颗35V100uf黄豆 2颗35V10uf黄豆 2-3颗50V15uf mlcc X7R 5V输出 一颗16V330uf黄豆 一颗16V100uf黄豆 2-3颗25V22uf mlcc 电容差不多15元左右,可以接受(虽然比降压模块+mcu+运放还贵) 全黄豆板厚度预计能缩减8mm左右,成这样厚 ![]() 然后程序方面 再优化校准 搞个快速调处电压界面,放常用电压 搞个锂电充电流程 输出保护(过压过流等等)(现在的mos只有开机避免尖峰的作用) 等等等 关于输出保护 之前测试了一下反馈速度 确实有振铃现象(开关电源都有的通病) ![]() 而且还蛮严重的 设置5V输出,500mA恒流 示波器开单次捕获 用镊子短接输出再松开,可以得到图像(也就是恒流到恒压切换时) 实际上最高震到了大约12.2V的样子,有烧东西的可能 ![]() 所以后面看看,能不能做到在恒流到恒压的瞬间,吧mos拉断等到电压稳定再导通。起保护作用。不知道速度能不能达到。 最后,就是外壳 目前能装进pos机盒子里 ![]() 专口袋里面就能走,到哪儿借个笔记本电源就能用 但是似乎不太好看啊,散热也不怎么好,等我再想想咋整个外壳呢 程序源代码 固件 原理图等等 ![]() ![]() ![]() ![]() ![]()
顶一下
(0)
0%
踩一下
(0)
0%
------分隔线----------------------------
|





































































