|
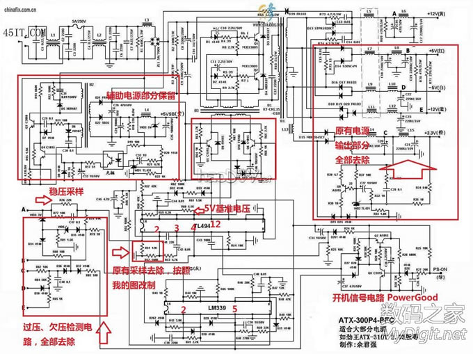
前几天发帖atx电源改0V-30V可调电源,我有朋友说很乱,我整理了一下,这是以前的帖子http://bbs.mydigit.cn/read.php?tid=331637 现在开始整理: 我的得到了猪蹄煮不烂朋友的大力支持,在他的帮助下一步一步的进行,原文参考:http://bbs.mydigit.cn/read.php?tid=328518 第一步:打开电源拆除电源的3.3V -5V +5v的部分,不知道怎么拆的就顺着后面往前拆,把欠压 过压的电路全部拆除。 第二部:拆除TL494的1脚上的全部原件,TL494和7005的原理是一样的,然后拆除2脚的电阻,上面的电容不要拆, 第三步:要在2脚做一个调压电路具体的怎么做我下面给大家分享。调压原理借用的猪蹄煮不烂的“调整1脚和2脚的电阻都能达到调压目的 只是1脚不能从0V 起调。”2脚接7500 14脚 取样基准电压(5V)这个电压是恒定的。所以1脚能比较出电压是不是升高了,或者降低了” 第四步:把12V的输出电容换成耐压50V的,不然会吓你一跳。 第五步:用一个24K的电阻接到TL494的一脚,另一角接电源的原12V的输出端作为R1 再找个4.7K的电阻接到TL494的1脚另一端接地,(我没有4.7K的电阻,我用了个5K的)作为R2。 TL494的2脚接一个2.2K的电阻接到电位器的中端,电位器的上端接tl494的13 14 15脚 下端接地,我的这个电源,这样接好后,有个问题,电压不能从0v调起,又请教网友猪蹄煮不烂,在他的帮助下,减少电位器中端的2.2K电阻的阻值,顺利的把电压从0.1V到28.6V了。我没有买到常闭温度控制器,所以我的风扇是长吹的,最后做了个表头的单独的供电电源,找了个电子射灯的电源,刚好上面有个12V的交流输出。我就在上面加绕了双线并绕得到2个8V的电压,用全桥和7812 7805得到一路12V两路5v给风扇和表头供电,因为电压表,电流表是不能共地的,如果要想共地要买隔离的电压表和电流表,如果用指针的电压表和电流表就不需要另外做电源。电位器一定要买线绕的,那样就不会感觉调电压变化太快。电位器可以选用5K-40KZ之间的任意阻值。电源的输出端要接个3W500的放电电阻,可以及时的放掉输出电容剩余的电。 其实就这么简单我没有做调流,如果想做调流可以参考:猪蹄煮不烂的成功作品。 想学习改造请加:ATX电源群,群号:atx电源4群高级群62668881
(责任编辑:admin) |























































