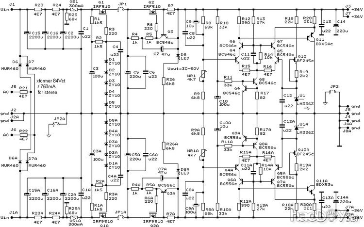
| 线路图 PCB板布局  
	Q1,Q2为输入级。Q5,Q6.Q7,Q8输出级。Q11,D1--D6,Q10,Q9为恒流源。 
	下面是一组恒流电路的测试,比较能发现,LED组成的恒流电路效果非常好  
		电源使用+-36V。对于大动态正面提升是不言而喻的。 
		输出使用电容,会否影响音质?PASS X2都是这样用的,你能接受吗? 
	电源部分            | 
| 线路图 PCB板布局  
	Q1,Q2为输入级。Q5,Q6.Q7,Q8输出级。Q11,D1--D6,Q10,Q9为恒流源。 
	下面是一组恒流电路的测试,比较能发现,LED组成的恒流电路效果非常好  
		电源使用+-36V。对于大动态正面提升是不言而喻的。 
		输出使用电容,会否影响音质?PASS X2都是这样用的,你能接受吗? 
	电源部分            | 
交换(阶梯式)衰减器无源音量控制 所以我一直想尝试,这些阶梯式的加强了,而现在的...
前一时期,坛友们对MBL 6010的讨论很多,经过投票,论坛响应坛友们的呼声,决定开发MB...
最近发现做前级的朋友多不胜数,一时心血来潮,自己也搭了一个,话说合并机做过很多,...
闲来无聊,仿隔壁JINLIZHPC大侠的电路制一台3DG8分立元件前级,原电路三极管用的是3DG...
简介:自制了一款洞洞板高压分立前级,正负50V甲类并联稳压电源供电,经过几位HI友试...
凭着执着与自信,为自己的锁定的目标而折腾,一路颠簸的走来,从平庸到超越,最终愿望...
 用电池供电的话筒放大器
							更新:2012-09-07
							用电池供电的话筒放大器
							更新:2012-09-07
						 极品运放AD827AQ、OPA2111KM与OP
							更新:2012-08-25
							极品运放AD827AQ、OPA2111KM与OP
							更新:2012-08-25
						 LT1057构建反馈型唱放
							更新:2012-09-10
							LT1057构建反馈型唱放
							更新:2012-09-10
						 制作PA-2012前级——一个中国人
							更新:2013-02-02
							制作PA-2012前级——一个中国人
							更新:2013-02-02