|
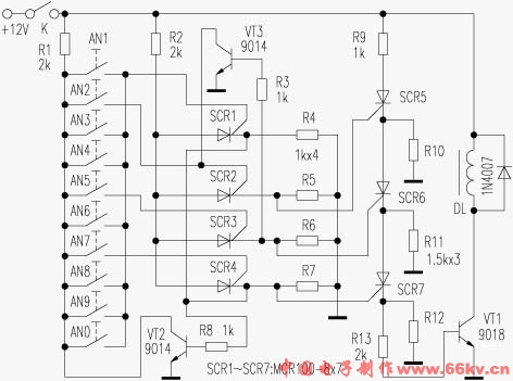
10键电子暗码锁回收全分立元件(三极管、可控硅、电阻),建造简朴事变靠得住。该暗码锁的特点是:假如按错了暗码键次序或按下了任何一个非暗码键,电路将锁定为关断状态,所有按键失效,使靠得住性进步。电子暗码锁电路如下图:
电路中,可控硅SCR5、SCR6、SCR7为该暗码锁的主控元件。当凭证正确次序按下三位暗码键(本例为AN2、AN5、AN7)时,可控硅SCR2、SCR3、SCR4依次导通,从而触发可控硅SCR5、SCR6、SCR7依次导通,VT1饱和导通,电磁铁DL举措,实现开锁。与此同时,AN7键按下后SCR4导通,进而VT2饱和导通,使各按键在开锁后不回复浸染。 若按错暗码键次序,不单不能开锁,还会使电路处于关断状态,图中R3、VT3的浸染是反对定按键次序AN5、AN2、AN7的可开锁性。如先按AN5,则SCR3导通,VT3基极有了偏置电流,再按下AN2,则VT3饱和导通,使SCR2无触发电压而不能导通,因而不能开锁。先按AN7也不能开锁已如上述。本暗码锁的按键次序只能是AN2、AN5、AN7。当按下任何一个非暗码键时,SCR1导通,使VT2饱和导通,各按键失效,电路锁定为关断状态。这时必需断开开关K再合上,电路才复位。因此,开关K应安装在潜伏的位置。 (责任编辑:admin) |















