欢迎光临haoDIY - DIY制作从这里开始!

diy音响功放音箱胆机电子单片机电脑科技小发明机器人制作_haoDIY

haodiy微信
当前位置: 主页 > 软件下载 > 电路图资料 >

制作hood jlh1969甲类功放资料共享!PCB文件

软件类型:国产软件 授权方式:共享软件 界面语言:简体中文 软件大小:0.03 MB 文件类型:.rar 运行环境:Win2003,WinXP,Win2000,Win9X 软件等级:★★★☆☆ 发布时间:2013-03-10 官方网址:http:// 演示网址:http:// 下载次数:
软件介绍
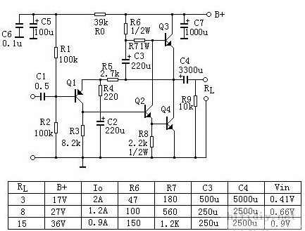
最近有人和我要1969的PCB文件,看来大家对1969的情忠还没有改变,那我就把我的1969全部贡献给大家。这个版本现在是在淘宝销售的哦,不过不是我!虽然1969不是复杂的东西,但我还是希望在没有征得原作者同意的情况下,请勿用于商业用途!仅供大家交流学习之用


1.jpg

 

 

2.jpg (30.88 KB)

 

2.jpg

 

3.jpg (70.64 KB)

 

3.jpg

 

4.jpg (68.64 KB)

 

4.jpg

 

5.jpg (62.54 KB)

 

5.jpg

 

6.jpg (45.42 KB)

 

6.jpg

 

7.jpg (40.83 KB)

 

7.jpg

 

8.jpg (47.33 KB)

 

8.jpg
 

镀金板经典hood 1969发烧级hifi小甲纯甲类功放板diy散件套件成品
镀金板经典hood 1969发烧级hifi小甲纯甲类功放板diy散件套件成品
¥28.50

下载地址
下载说明

因为下载很占服务器资源,网站运营成本很高,所以软件全部限制为会员下载,请大家理解和支持

☉推荐使用第三方专业下载工具下载本站软件,使用 WinRAR v3.10 以上版本解压本站软件。
☉如果这个软件总是不能下载的请点击报告错误,谢谢合作!!
☉下载本站资源,如果服务器暂不能下载请过一段时间重试!
☉如果遇到什么问题,请到本站论坛去咨寻,我们将在那里提供更多 、更好的资源!
☉本站提供的一些商业软件是供学习研究之用,如用于商业用途,请购买正版。

顶一下
(1)
100%
踩一下
(0)
0%
------分隔线----------------------------
发表评论
请自觉遵守互联网相关的政策法规,严禁发布色情、暴力、反动的言论。
评价:
用户名: 验证码: 点击我更换图片
栏目列表