|
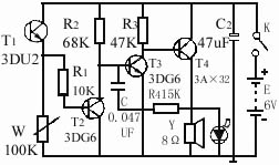
青少年掩护视力很重要,掩护视力的要领有多种多样。这里先容的“掩护视力提示仪”是提示你不要在光泽较弱的情形里看誊写字。
图 2-7-1 图 2-7-2
认一认
名 称 电路标记 实物图 备 注
电阻
可变电阻
三极管
三根引线不能交流行使
电解电容
引线有正负极性
开关
干电池
发光二极管
引线有正负极性
光敏三极管
引线有正负极性
扬声器
测一测
图 2-7-3 图 2-7-4
2.测电解电容C2,要领见图2-7-4,表棒刚打仗C2引线时,指针有较大的摆动,然后逐渐回到原本位置的四面。不然声名电容泄电严峻,不能行使。
图 2-7-5 图 2-7-6
(责任编辑:admin) |
















