|
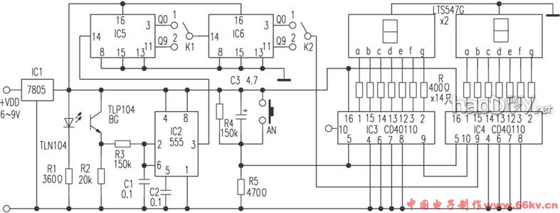
该电子计数器电路回收两只数码管表现读数,根基计数为1~99,行使倍率开关后,计数范畴扩大至10~990(10倍率)或100~9900(100倍率)。计数传感器为红外发射吸取对管,可依被计数物采纳对向安装(直射)、侧向安装(反射)等方法。电子计数器电路道理图如下:
计数传感器行使TLN104和TLP104红外发射/吸取对管,被计数物体每颠末传感空间一次,TLP104传送一个脉冲至555的②脚,其③脚响应输出一正脉冲到IC5,经K1、K2倍率开关后送到IC4⑨脚。IC4为十进制计数译码器,由其完成计数并输出响应译码电平驱动数码管表现,当计数满10时表现0,并由⑩脚输出一进位脉冲到IC3⑨脚完成进位计数。AN为清零键,按此键可在R5上形成一高电平脉冲送到IC3和IC4的⑤ 脚去清零。 IC5和IC6为数字集成电路CD4017,在这里用作分频器,当K1或K2置“1”位置时不发生分频浸染,倍率为“1”;置“2”位置时为异常频器,倍率为10。K1和K2同时置“2”则倍率为100。 (责任编辑:admin) |











