最好的电子音响科技diy制作网站

haoDIY_音响电子电脑科技DIY小制作发明

当前位置: 主页 > 电子DIY > 控制电路 > 传感控制 >

diy抽油烟机自动控制电路

时间:2012-12-30 21:29来源:网络 作者:网络整理 点击:
免费提供各种电子制作文章、资料、图纸

 

diy抽油烟机自动控制电路

 

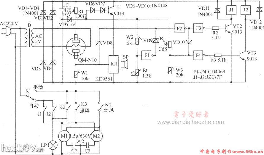
 事变道理
电路道理如图,气敏传感器和W1构成燃气检测电路,电源变压器输出的交换5V电压给气敏传感器加热丝加热。反相器F1、W2、热敏电阻Rt构成温度检测电路。两路检测电路输出的高电位信号别离经断绝二极管VD8、VD9节制由F2、F3、R2、VT2、J1构成的电机节制电路。光敏电阻CdS、W3、F4、R3、 VT3、J2等构成照明节制电路;IC1为音乐报警电路,由燃气检测电路节制。

元器件选择
IC1选用KD9561集成电路;F1~F4选用CD4069集成电路。VT1~VT3均选用9013三极管。光敏电阻选用CdS光敏电阻;热敏电阻选用4只330Ω热敏电阻串联。气敏传感器选用QM-N10。其他元器件选用如图所示。

(责任编辑:admin)
织梦二维码生成器
顶一下
(0)
0%
踩一下
(0)
0%
------分隔线----------------------------
发表评论
请自觉遵守互联网相关的政策法规,严禁发布色情、暴力、反动的言论。
评价:
表情:
用户名: 验证码:点击我更换图片