6n4+el34电子管并联单端胆机功放打摩记
时间:2012-08-29 10:05来源:未知 作者:admin 点击:
次
区区十来瓦的单端甲类真空管功放推著名的音箱AR一610将如何?我告诉您:气势恢宏,音色、音
区区十来瓦的单端甲类真空管功放推著名的音箱AR一610将如何?我告诉您:气势恢宏,音色、音场、定位都好过推挽机,在十五平方米的房里爆到地动毫不脚软。这就是我去年精心打摩的并联单端甲类胆功放的真实表现。
几年前不幸在朋友家中了胆毒,再也不愿听晶体管机单薄尖刻的声音,于是加入土炮党,先后打造了数部电子管前后级。然而,真正让我折服的,还是这部功率最小,体积最大的并联单端真空管功放,其高频泛音之美,真可谓绕梁三日不绝。
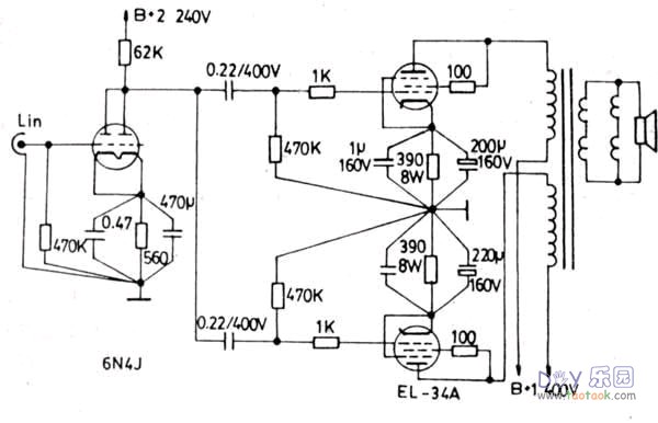
单端功放的优点是毋容置疑的。音色丰满润泽,绝无交越失真及开关失真,其效率较低的劣势,对于如今人们来说是微不足道的。用胆管制作单端功放,更可称得上是功放的最高境界,尤其是用直热三极管300B,可是,目前即使是曙光300B,其价格也令我辈工薪族敬而远之。如果使用流行功率管造单端,输出功率实在是无法对付目前的低效率喇叭。唯一的好办法就是采用并联输出,可以达到既增加功率又经济的目的。我去年制作的这部并联单端胆功放,电路原始经典但十分简洁(见图1),仅有两级放大。为取得最低的失真和最佳的音质,从头至尾使用并联三极管联结,无环路负馈。最初的设计是三极放大,在电压放大和功率放大之间还有一级由6N6T构成的阴极输出,用以降低电压级输出阻抗。后经听音比较,有此级音质无改善,反而降低了瞬态和透明度,故干脆去掉。
末端功率管曾先后试用了桂光的FU一7,曙光的FU一7和EL一34A,有趣的是,同是FU一7,桂光管较清雅,低频的延伸较差,曙光管则浑厚一些,中频十分饱满,放人声和国乐简直可称霸。EL一34A则不愧为音响名管,表现出更好的音乐性,音色也柔美一些。输出变压器可以说是胆机的灵魂。市场上不少厂机最令人不满意之处,就是输出变压器太小,很难想象会有平坦的频率响应。单端输出,因初级电流同相,铁芯磁化严重,要求就更高。我选用的是一种日产优质的矽钢片,舌宽35mm,叠厚80mm。如果绕电源变压器,功率足有600VA。绕制时注意初级要双线并绕,以便给两只功率管提供各自独立的负载,这比两只管子共用一个绕组的方法听起来高频更清晰,估计是相移较小。为减少分布电容,初级分四层,次级间绕夹在其中。铁芯要顺向插,留0.1—0.3mm的气隙。
电源采用了混和整流电路,即晶体管整流后,再由真空二极管输出,这样可综合两种整流方式的优点。原设计时,前置级和功率级的电源均采用此方式,试听发现,前置级有无此方式实在听不出差别,最后仅在功率级采用了这种混和整流方式。不过不同的真空整流管表现也不同,直热式整流管的声音很透明,旁热管则更接近多数人所认为的“胆”味,有一点朦胧,我个人喜欢真空管的圆润和晶体管的解析力,因此选择了曙光直热整流管523P。

单端电路因不具备共模抑制力,所以对电源纹波要求很严。按常规应采用CLC滤波,我手头没有合适的低频扼流圈,只好用CRC方式,但是要加大滤波电容量。对于滤波电容,我的体会是混用不同充放电速度的电容滤波效果最好。我在CRC π型滤波器的两端都用了电解质和薄膜电容,特别是用了一种船用的高压大容量聚丙烯电容,型号是CBB66S,540VAC,30μ。前端一个,后面两个。千万要用大容量聚丙烯电容滤波,有没有它,效果大不一样。并上它,背景异常干净且不说,低频的弹性和延伸力明显改善。但用多了也是徒劳,我的经验是与电解电容的比例在1:10就足够了。当然也不能忘记还要再并上小容量聚丙烯电容。我用的是购自汕头原音的一种红色WIMA MKS电容,1000V 0.1μ。虽是拆板品,但质量绝对比不明来路的货色可信,而且正好可焊在那个大聚丙烯电容的出线端子上,十分方便。(电源部分见图2)。

整机开声后,做了一些小试验,主要是耦合和退耦电容。首先是前置级的阴极退耦电解电容。该电容对频响影响甚大,普通电解达到470μ时低频已是浑浊不堪,中频也暗淡无光。换用著名的黑金刚,大有改善,但不如ELNA,其速度较快,低频的聚焦力更好一些,而且与胆机的特点可刚柔相济。但是,表现最好是我偶然从汕头原音购来的德国产ROE电解,其全频表现平衡,难能可贵的是有一种日本货所缺乏的活生感。据说这种电容因其貌不扬而备受冷落,看来还是耳朵收货比较好。如果不一定要求十足的HiFi,去掉这个电解电容频响会有所展宽,音色更显柔和,但因此引入了交流负反馈,瞬态和力度稍有下降。
其次是前置和功率放大之间的耦合电容。在我试过的各种电容中,进口货以WIMAM KPl0最好,其音质听起来最没有个性,通透快速。其它进口电容SOLEN也算不错。国产货中,油浸纸介音色柔和异常,但感应噪音也不小。比较令人振奋的是一种国产七十年代的金属化纸介电容,型号是CJl0 400V 0.22μ音色十分灿烂辉煌,在聆听TELARC的录音时,铜管乐真正是泛出了十足的光泽,与W1MA相比有过之而不无不及。
工艺布局是出靓声的另一关键。这部每声道十余瓦的功放,因变压器个头大,电容器众多,不得不用两个机箱。一个是电源,一个是放大器本身,正好解决相互干扰问题。所有的接地均先在本级阴极电阻处做星状联结,然后再分别接至前置阴极电阻处,最后在此引线一点接机壳。我试验过多次,这种星状接地是信噪比最高,音质最好的方式。
(责任编辑:admin) |
织梦二维码生成器
------分隔线----------------------------