|
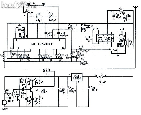
TDA7010T为调频吸取芯片,建造成吸取电路可以收到88~108MHz间调频电台,还可以收到1~4频道的电视伴音;也可作为对讲机,它可以实现远间隔无线通讯,最大通话半径可达1.5km。IC1回收TDA7010T或TDA7050T,IC2回收LM386或BA5386,NJM386,IC3回收L7806,BG1选用9014;BG2选用D-40或9018。电容器除电解电容器及C11外均回收瓷片电容器,C11回收CBM-226D可变电容器,如用7/25pF微调电容器也能包围整个波段,但应将C10短接,电阻均用金属膜电阻。线圈无需廉价。天线用87~108MHz的专用橡皮套式天线。
(责任编辑:admin) |




















