自制实用声控准双工无线对讲机
时间:2013-01-01 19:09来源:网络 作者:网络整理 点击:
次
免费提供各种电子制作文章、资料、图纸
|
编者按:这是一名中门生存划的准双工对讲机,即谈话时自动发射,不谈话时自动转为吸取状态,详细可否建造乐成,但愿宽大感乐趣的读者下手实践后给以评说。
本文先容的无线对讲机为调频准双工方法,事变频率为30MHz频段,回收声控电子开关,利便、节能、电路简朴,事变电压为3~9V,发射功率1~5W。
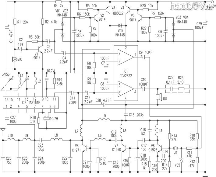
事变道理 该无线对讲机的吸取和发射分为两个相对独立的部门,仅天线匹配收集为发射与吸取共用。
发射部门由发话器放大电路、电子开关、功率放大电路、发射电路及天线匹配收集构成。发话时,语音由驻极体发话器MIC检出,经三极管V1放大后,由C3耦合输出,并分成两路。一起经D1、D2、C5构成的倍压整流电路酿成直流电压去开启由V2、V3及其外围元件构成的电子开关,使音频功放集成电路IC1和由V6、V7、V8及其外围元件构成的发射电路得电而事变;另一起由C4耦合到IC1举办功率放大后,经C9送到由三极管V6、变容二极管VD6及晶体JT等元件构成的振荡和倍频电路酿成30MHz调频波,由L3、C16选出,经C17耦合到由V7及其外围元件构成的丙类鼓励级举办鼓励放大,再经C19耦合到由V8及其外围元件构成的丙类功放电路举办功率放大,放大后的射频信号通过L8和C23串联谐振电路后,经C24~C26及L9、L10构成的天线匹配收集向外发射出去。
吸取部门由天线匹配收集、调频吸取电路、电子开关和音频功放电路构成。天线吸取到的约30MHz的高频信号由C27耦合到调频吸取专用集成电路TA8164P,颠末高放、本振、混频、中放和鉴频后,从IC2的{11}脚输出音频信号,经C11后分成两路。一起经VD3、VD4、C6构成的倍压整流电路酿成直流电压,去开启由V4、V5及其外围元件构成的电子开关,使功放电路IC1得电而事变。另一起由C12耦合到IC1,经功率放大后的音频信号由C10耦合输出,敦促喇叭发声。
图中的VD5为断绝二极管,其浸染是当由V4、V5构成的电子开关开启时,不让发射电路误导通,起到节能和掩护发射电路的浸染。
图中虚线框内的R23和C28是为防备功放自激、喇叭啸叫而配置的。假如功放不自激、喇叭不啸叫就可省去。
元件选择 V3、V4也可用三极管9012,V7也可用3DA106A,V8也可用3DA107A,JT选用频率为10MHz的晶体。
发射频率首要由L3、C16及L8、C23配合抉择。为缩小整机的体积,全部元件,尤其是电阻和电容只管选用小型或超小型的,而且严酷筛选。
调试要领 先调发射部门,后调吸取部门。起首作近间隔调试,可先牢靠一机的吸取部门,细调另一机的发射部门,微调频率敏感元件L3、C16及L8、C23,使一性能收到话音,然后再微调吸取部门的频率感敏元件L1、L2和双联可调电容,使声音最清楚。再作远间隔调试,可拉开必然间隔(1~2公里)举办更过细的微调,使发射与访问结果最佳为止。

(责任编辑:admin) |
织梦二维码生成器
------分隔线----------------------------