|
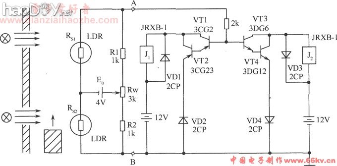
将两个特征同等的光敏电阻安装在物体行为路径的统一侧,彼此隔断恰当间隔。另一侧相对位置别离安装2个光源,使物体在光源和光敏电阻之间直线行为。回收如图所示电路可以判定物体行为偏向。
电路由电桥和极性鉴别两部门构成。Rs1、Rs2、R1、R2和Rw构成电桥,由电源E0供电,A、B端输出。丈量前使Rs1和Rs2同时遮光或光照,调理Rw,使电桥均衡。UAB=0V。丈量时,当物体由下向上行为时,Rs2起首被遮光,阻值增大,Rs1被光照,阻值较小,电桥失衡,UA>UB,UAB>0V,则VT1、VT2截至,VT3、VT4导通,继电器J1保持断开状态,J2吸合。 当物体继承向上行为到Rl位置时,环境相反,J1吸合,J2打开。假如物体由上向下行为,则与上述环境相反,J1先吸合,J2后吸合。因此,按照J1和J2吸合的先后次序可以判定物体的行为偏向,并给出了响应的开关节制信号输出。将输出的开关信号加以完美,还可以直接对物体移动偏向给出功效。 (责任编辑:admin) |












