|
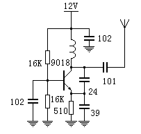
这是一个较量简朴的适用型建造,本文规划从简到繁一步步深入,你如果乐意同步下手尝试,不久你将可以或许建造得当正式场所行使的调频发射机。虽然,尝试照旧从最简朴的做起,下图是一个最简朴的振荡器,它是调频发射的基本。

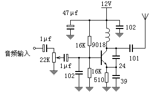
图中的线圈用1.0mm的漆包线在3.2mm的钻头上绕6-8圈,可包围88-108MHz,7圈时在100MHz四面。按上图毗连好,着实就已经是一个简朴的发射机了,通电即可发射,不外发射的是未经调制的等幅信号,四面的调频收音机吸取到信号只会呈现静音。像下图那样加上调制信号,就可进入适用状态了。

这时,若是你将随身听,影碟机等输出的音源信号毗连上图发射机的音频输入端,在四面就可以用收音机来收听了。上图虽能发射,却不适用,其一是发射能量很小,只能在室内行使,在室外坦荡地也不外几十米。其二是频率不稳,因为天线只是一段导线,通过100P电容与振荡回路相连,因此天线周围的情形均会影响发射频率。若想使其到达能用的水平,应在厥后再加南北极放大,见下图。

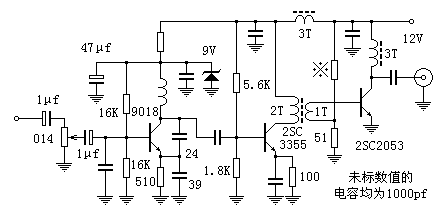
这是应网友的要求搭出的一个功放电路,输出功率令人满足,可是也存在许多题目,将在下文详述。振荡器与功放连在一路,就成了一个完备的调频发射机,见下图。

图中的发射机很轻易建造乐成,这里所说的乐成是插上天线接通电源即可进入事变状态,如果但愿发射机进入最佳事变状态还必要做一些调试。着实,喜爱者做尝试最大的爱好就是通过本身下手调试使作品更趋完美,得到最佳机能。
起首,这种输出电路事变于非甲类状态,对负载阻抗有更严酷的要求,凡是发射机多为50Ω输出,喜爱者尝试不必然轻易找50Ω的射频电缆,而75Ω的射频电缆处处都能买到,何况75Ω的天线也轻易建造,故此机回收75Ω输出,通电之前应在输出端接一个75Ω的电阻,调试完成往后再接75Ω的天线。本机最大输出1W以上,不要用那种1/8W的小电阻,接上就烧。烧个电阻倒没什么,然则电阻一烧放大器便相等于空载,管子就伤害了。
通电往后所必要调试的最首要内容是发射管的事变点,事变点差异输出的谐波因素大大差异。本机振荡级选择的晶体督事变点使其具有较大动态,实测二次谐波比基波低二十多分贝,三次四次更低,完全可以忽略不计。敦促级事变于靠近甲类的甲乙类状态,也不会发生大能量的谐波。要害在输出级。输出级事变点的选择较量贫困,上偏置电阻与下偏置51Ω电阻形成的分压应低于发射管的发射结电压,使其事变于乙类和丙类状态之间。选用1KΩ时靠近乙类状态,此时发射督事变电流260mA,输出功率700mW,二次谐波比主波低10dB阁下,三次四次更低,输出的主频能量在500mW以上。
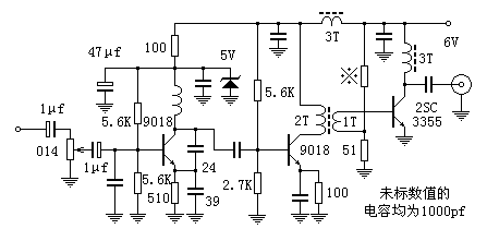
跟着上偏置电阻的加大,发射管的事变状态将接近丙类,功率计的指示倒是逐渐增大,最大时高达1300mW,但此时的各此谐波也逐渐增强,主波功率反而低落。在专业制造时,这一抵牾并不难办理,不外这一电路是为初学者建造计划的简朴型,只好放弃电源服从指标,提议上偏置电阻行使1KΩ。尝试中2SC2053严峻发烧,固然尝试进程中并未破坏,预计恒久行使必定不可,提议建造时换用2SC1970或用两个2SC2053并联行使。并联时要留意采纳均流法子。若是你只是但愿品尝一下下手建造的爱好,并不必然必要这么大的输出功率,也不必要发射多远,这时可将电路参数作些窜改,电路布局稳固,用6V电源,输出功率也在100mW以上,见下图。

与上图的电路布局完全沟通,只是改了几个元件的数值,晶体管也做了调解。因为输出功率较小,用>55做输出也不消思量输出管的安详题目,可以恒久不变地事变。
(责任编辑:admin) |