| 
 
				 
 
 (责任编辑:admin) | 
| 
 
				 
 
 (责任编辑:admin) | 
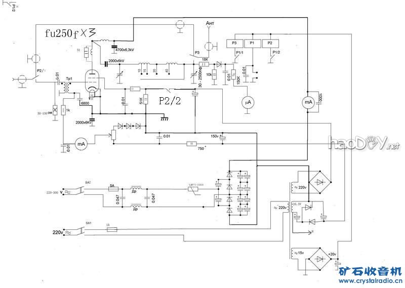
本 接收机 针对那些经验丰富的 无线电 爱好者,用于接收广播电台、业余电台及服务性电...
工作原理:由高频头将天线接收到的微弱调频信号进行放大和混频,混频后产生的31.5MHz...
免费提供各种电子制作文章、资料、图纸...
免费提供各种电子制作文章、资料、图纸...
 便携式调频无线话筒mic麦克风发
							更新:2014-06-08
							便携式调频无线话筒mic麦克风发
							更新:2014-06-08
						 制作单片窄带调频接收电路MC1313
							更新:2013-01-01
							制作单片窄带调频接收电路MC1313
							更新:2013-01-01
						 制作简易电话无线发射器
							更新:2013-01-01
							制作简易电话无线发射器
							更新:2013-01-01
						 diy自制FM无线话筒(参赛)
							更新:2013-01-19
							diy自制FM无线话筒(参赛)
							更新:2013-01-19