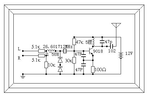
此晶振FM发射电路 经过一晚上的折腾 将音质差 音量小的问题显著改善,特将成果分享给爱玩的你,此电路工作非常稳定、手怎么摸电路板 怎么移动电路板都不会飘频,不要和电容三点式振荡电路混为一谈![]() 先看成果,黄色线是天线,红色黑色12V电源线 ![]() ![]() ![]() ![]() ![]() ![]() ![]() ![]() ![]() ![]() ![]() 音频输入端 ![]() 电路图奉上(1楼更新升级版电路图) ![]() 晶振找了20多个 只有26.601712Mhz这个晶振音质做好、频率落在收音机的106.4频段上,变容二极管2个串联、1~5uh电感用色环电感,大家做的时候10k和两个5.1k电阻 不要偏差太大、会影响音量和音质的、供电电压低于10V音质会变差,所以说 供电不要低于12V。 自我感觉经此发射电路 发射出去的信号 收音机接收后 高音清晰 低音浑厚 、接收音量也已经做到可以让自己接受的量度了 有个电阻被遮住了,重新上个图
————————————————————————————————————————————————————————————————————————————————————————————————————————————
电路已更新,收音更洪亮自然、声音量度比上图提高一倍多且不失真,试听一下午无飘频。 先科普一下石英晶振和陶瓷晶振 陶瓷晶振和石英晶振的区别就在于精度和温度稳定度上,石英晶振较陶瓷晶振精度高,温度稳定性好。石英晶振的精度可以达到小数点后六位数,单位用ppm(百万份之一)来表示。而陶瓷晶振的精度只能满足到小数点后三位,用khz来表示,比如4MHz的陶瓷晶振它的精度一般做+/-750kHz. 从技术参数上来说,石英晶振可以代替陶瓷晶振,但是陶瓷晶振不一定能代替石英晶振,陶瓷晶振多在电视遥控器、玩具产品等对精度要求不高的产品中,而在仪器仪表,通信通讯等消费类电子产品中要求精度高的地方就需要石英晶振。 由此可见 陶瓷晶振频率稳定性比石英晶振差、也就是说此FM电路用陶瓷晶振调频更宽 音量与音质更好。 先看看改进后的电路图吧,陶瓷晶振是从坏鼠标上拆的,找了好多坏鼠标 唯独这一个用了18.43MHZ的晶振,其余都是几MHZ的。 陶瓷晶振引脚不小心弄断了 只好贴在背面 ![]() 背面的变容二极管去掉了,只留了前面一个 ![]() 增加了一个47K电阻 ![]() 收音机接收的频率、晶振频率改变 收音机接收也会改变,晶振越大 收音机调的频率越高,晶振越小反之,发射频率超出或低于收音机频率范围则无法搜到FM发射器信号 ![]() 最新电路图 做了如下改动,将石英晶振改为陶瓷晶振、增加了一个47K电阻、减少了1个变容二极管、供电 电压由12V降低为4.2V可正常工作不影响音质。其它无改动. (责任编辑:admin) |







































